КАТО SR250 Crane Electric and Hydraulic Diagrams

Guaranteed Safe Checkout

$10.00

48 people bought this product

Package Include
КАТО SR250 Crane Electric and Hydraulic Diagrams

Language
English

Format
PDF

Total Number of pages
7

Publication Number
173-77100021

Compatible
All windows and mac systems

Additional Requirement
User needs to Install PDF Reader Software

Shipping Policy
Download link by high speed web server Total Download size 4 mb

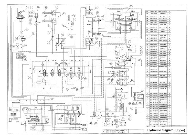
The KATO SR250 Crane Electric and Hydraulic Diagrams provide essential technical insights for operators and maintenance personnel, ensuring optimal performance and safety. These detailed diagrams facilitate quick troubleshooting and efficient repairs, enhancing the longevity of your crane. With clear illustrations and comprehensive information, this resource is indispensable for anyone looking to maximize the operational efficiency of their KATO SR250 crane. Invest in this guide to streamline your maintenance processes and keep your equipment running smoothly

𝙊𝙫𝙚𝙧 25 𝙮𝙚𝙖𝙧𝙨 𝙤𝙛 𝙨𝙚𝙧𝙫𝙞𝙘𝙚 𝙬𝙞𝙩𝙝 𝙖 100% 𝙨𝙖𝙩𝙞𝙨𝙛𝙖𝙘𝙩𝙞𝙤𝙣 𝙜𝙪𝙖𝙧𝙖𝙣𝙩𝙚𝙚

Concerning ourselves and our vision  100% customer satisfaction, after-sale support, and maintaining contact with our regular clients are our goals.

Until you download it and save it in a secure location Since we sincerely care about you and try our best to accommodate your demands, your feedback is essential to our efforts to improve our services.

What we provide to our clients  Original factory service manuals, repair manuals, workshop manuals, parts manuals, technical manuals, operator’s manuals, owner manuals, electrical diagrams, hydraulic diagrams, and many other instructions for the heavy mechanic industry are available here.

𝙾𝚟𝚎𝚛 𝟑𝟻,𝟶𝟶𝟶 𝚌𝚞𝚜𝚝𝚘𝚖𝚎𝚛𝚜 𝚑𝚊𝚟𝚎 𝚏𝚊𝚒𝚝𝚑 𝚒𝚗 𝚘𝚞𝚛 𝚜𝚎𝚛𝚟𝚒𝚌𝚎. 𝚆𝚎 𝚟𝚊𝚕𝚞𝚎 𝚢𝚘𝚞𝚛 𝚋𝚞𝚜𝚒𝚗𝚎𝚜𝚜 𝚊𝚗𝚍 𝚊𝚛𝚎 𝚐𝚛𝚊𝚝𝚎𝚏𝚞𝚕 𝚝𝚑𝚊𝚝 𝚢𝚘𝚞 𝚑𝚊𝚟𝚎 𝚌𝚑𝚘𝚜𝚎𝚗  𝚠𝚠𝚠.𝚛𝚎𝚙𝚊𝚒𝚛-𝚖𝚊𝚗𝚞𝚊𝚕𝚜.𝚌𝚘𝚖

Diagrams illustrating the electric and hydraulic systems of the KATO SR250 crane for operational guidanceКАТО SR250 Crane Electric and Hydraulic Diagrams
$10.00 48 people bought this product
Scroll to Top