Package Include
Kawasaki 70ZII Wheel Loader Parts Catalog
Language
Spanish
Format
PDF
Total Number of pages
360
Publication Number
AAAP17102-1
Compatible
All windows and mac systems
Additional Requirement
User needs to Install PDF Reader Software
Shipping Policy
Download link by high speed web server Total Download size 8 mb
Overview
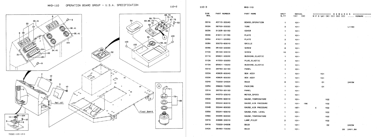
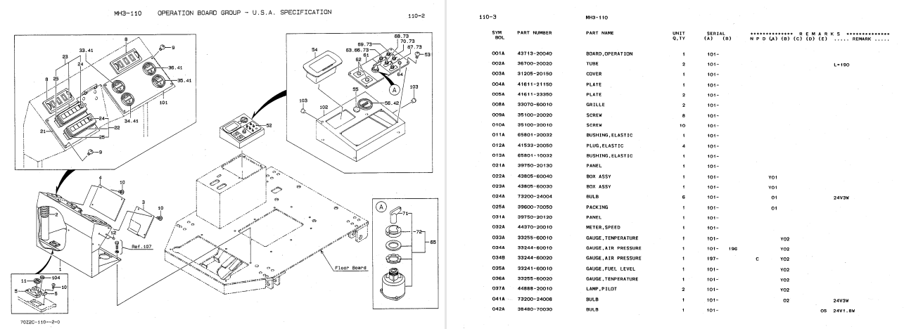
With This Original Factory Parts Manuals The Technician can easily find any Part Number and Correct Part encountered in the operation of your Kawasaki Wheel Loader Models of :
70ZII Wheel Loader
Discover the comprehensive Kawasaki 70ZII Wheel Loader Parts Catalog, your essential resource for maintaining and enhancing the performance of your equipment. This detailed catalog features an extensive list of genuine parts, ensuring compatibility and reliability for your wheel loader. With clear illustrations and part numbers, locating the right components has never been easier, allowing for efficient repairs and reduced downtime. Invest in the longevity of your Kawasaki 70ZII and keep it operating at peak performance with this indispensable parts catalog




