Package Include
Bomag BW161-203AD-4-ST-Service Training Manual
Language
English
Format
PDF
Total Number of pages
178
Publication Number
008 099 81 (11/2003)
Compatible
All windows and mac systems
Additional Requirement
User needs to Install PDF Reader Software
Shipping Policy
Download link by high speed web server Total Download size 11 mb
With This Original Factory Service Training Manual The Technician can Find and Solve any problems encountered in the operation of your Bomag Road Roller Models of :
Tandem Rollers Bomag BW 161 AD-4, Bomag BW 202 AD-4
This Service Manual very clear pdf manual, This is True Electronic pdf copy, not scanned version, contains high quality images and it is 100% printable version
Enhance your operational efficiency with the Bomag BW161-203AD-4-ST-Service Training Manual, a comprehensive guide designed for professionals in the field. This manual provides detailed instructions and insights into the maintenance and service of the Bomag BW161-203AD-4-ST model, ensuring optimal performance and longevity of your equipment. With clear illustrations and step-by-step procedures, it empowers users to troubleshoot issues effectively and perform routine maintenance with confidence, ultimately reducing downtime and increasing productivity on the job site
Contents of this pdf manual
Documentation
General
Technical data and adjustment values
Maintenance
Maintenance schedule
DEUTZ diesel engine
Service side
Lubrication oil circuit
Coolant circuit
Fuel system
Checking and adjusting the valve clearance
Plug-type injection pump D 14
Electrical components and measuring points on the engine
Travel system
Travel pump
Control
Charge pressure relief valve
High pressure relief valve
Pressure override
Travel motor
Drum reduction gear
Test and adjustment points, travel system
Trouble shooting in travel system
Vibration
Vibration pump
High pressure relief valves
Control
Vibration motor
Vibration shut-off valve
Drum BW 161 AD-4
Drum BW 202 AD-4
3D-cut-away drawing of drum
Exciter weights
Test and adjustment points, vibration system
Trouble shooting in vibration system
Steering
Steering/charge pump(s)
Steering valve
Priority valve
Crab walk
Articulated joint
Measuring and adjustment points
Trouble shooting steering system
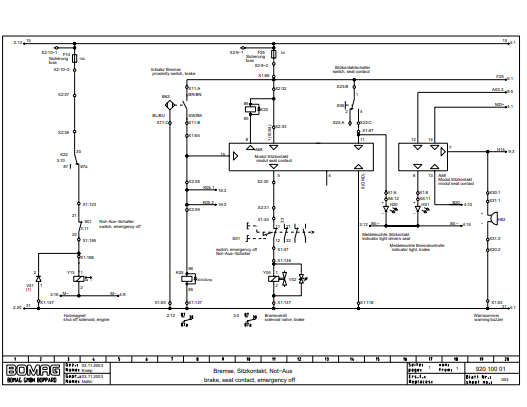
Electrics, module descriptions
see separate lists
Wiring diagram
Hydraulic diagram






