Package Include
Case CX36B Mini Excavator Service Repair Manual
Language
English
Format
PDF
Total Number of pages
1-949
Publication Number
Part number S5PW0032E02
August 2010
Compatible
All windows and mac systems
Additional Requirement
User needs to Install PDF Reader Software
Shipping Policy
Download link by high speed web server Total Download size 105 mb
With This Original Factory Service Repair Manual The Technician can Find and Solve any problems encountered in the operation of your Case Mini Excavator Models of :
CX31B – PIN PW14-46519 – and higher
CX36B – PIN PX15-21105 – and higher
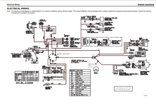
This Service Manual very clear, This is True Electronic pdf copy, not scanned version, contains high quality images and it is 100% printable version
CONTENTS OF THIS SERVICE MANUAL
SPECIFICATIONS SECTION
MAINTENANCE SECTION
SYSTEM SECTION
DISASSEMBLY SECTION
TROUBLESHOOTING
ENGINE SECTION
PROCEDURE OF INSTALLING OPTIONS SECTION
[the_ad id=”23796″]











gsmfdo@gmail.com
Thanks for good price
Very good A Service , fast search results