Caterpillar 320C, Caterpillar 330C Excavator Hydraulic & Electrical Full Diagrams

Guaranteed Safe Checkout

$10.00

91 people bought this product

Package include
Caterpillar 320C 330C Excavator Hydraulic & Electrical Full Diagrams

Language
English

Format
PDF

Total Number of pages
4

Publication Number
RENR3819-07,RENR7090-02

Compatible
All windows and mac systems

Additional Requirement
User needs to Install PDF Reader Software

Shipping Policy
Download link by high speed web server Total Download size 2 mb

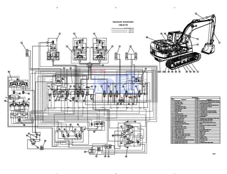
The Caterpillar 320C and 330C Excavator Hydraulic & Electrical Full Diagrams Manual is a complete reference guide designed for technicians, mechanics, and service professionals working on these powerful CAT excavators. This manual provides detailed schematics for both hydraulic and electrical systems, enabling precise diagnostics, repairs, and system understanding.

Key Features:

  • Complete Hydraulic Schematics – Full system layouts including pumps, valves, cylinders, pilot lines, and control circuits.

  • Detailed Electrical Diagrams – Covers wiring routes, connectors, grounding points, relays, switches, and sensor integration.

  • OEM-Accurate Information – Designed to Caterpillar specifications to ensure accuracy and compatibility.

  • Troubleshooting Made Easy – Schematics include component labels and flow paths for efficient fault identification and repair planning.

  • Model-Specific Coverage – Tailored specifically to CAT 320C and 330C models for precise and reliable service guidance.

Perfect for repair shops, field service teams, and equipment owners, this manual is essential for anyone maintaining or diagnosing the hydraulic and electrical systems of Caterpillar 320C and 330C excavators.

𝙊𝙫𝙚𝙧 25 𝙮𝙚𝙖𝙧𝙨 𝙤𝙛 𝙨𝙚𝙧𝙫𝙞𝙘𝙚 𝙬𝙞𝙩𝙝 𝙖 100% 𝙨𝙖𝙩𝙞𝙨𝙛𝙖𝙘𝙩𝙞𝙤𝙣 𝙜𝙪𝙖𝙧𝙖𝙣𝙩𝙚𝙚

Concerning ourselves and our vision  100% customer satisfaction, after-sale support, and maintaining contact with our regular clients are our goals.

Until you download it and save it in a secure location Since we sincerely care about you and try our best to accommodate your demands, your feedback is essential to our efforts to improve our services.

What we provide to our clients  Original factory service manuals, repair manuals, workshop manuals, parts manuals, technical manuals, operator’s manuals, owner manuals, electrical diagrams, hydraulic diagrams, and many other instructions for the heavy mechanic industry are available here.

𝙾𝚟𝚎𝚛 𝟑𝟻,𝟶𝟶𝟶 𝚌𝚞𝚜𝚝𝚘𝚖𝚎𝚛𝚜 𝚑𝚊𝚟𝚎 𝚏𝚊𝚒𝚝𝚑 𝚒𝚗 𝚘𝚞𝚛 𝚜𝚎𝚛𝚟𝚒𝚌𝚎. 𝚆𝚎 𝚟𝚊𝚕𝚞𝚎 𝚢𝚘𝚞𝚛 𝚋𝚞𝚜𝚒𝚗𝚎𝚜𝚜 𝚊𝚗𝚍 𝚊𝚛𝚎 𝚐𝚛𝚊𝚝𝚎𝚏𝚞𝚕 𝚝𝚑𝚊𝚝 𝚢𝚘𝚞 𝚑𝚊𝚟𝚎 𝚌𝚑𝚘𝚜𝚎𝚗  𝚠𝚠𝚠.𝚛𝚎𝚙𝚊𝚒𝚛-𝚖𝚊𝚗𝚞𝚊𝚕𝚜.𝚌𝚘𝚖

Hydraulic and electrical full diagrams for Caterpillar 320C and 330C excavators, providing essential technical informationCaterpillar 320C, Caterpillar 330C Excavator Hydraulic & Electrical Full Diagrams
$10.00 91 people bought this product
Scroll to Top