Product Code CTP 0062 [ After payment, this Code helps to receive correct download password to your Account Dashboard ]
Package Include
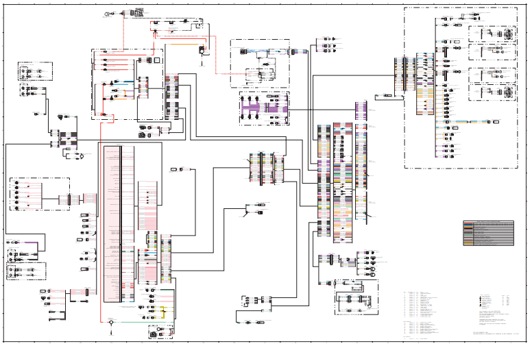
Caterpillar 966H and 972H Wheel Loader Electrical System
Language
English
Format
PDF
Total Number of pages
1-4
Publication Number
RENR6332-01 (November 2006)
Compatible
All windows and mac systems
Additional Requirement
User needs to Install PDF Reader Software
Shipping Policy
Download link by high speed web server Total Download size 3 mb
Overview
With This Original Factory Electrical Schematic The Technician can Find and Solve any Electrical problems encountered in the operation of Electrical System of your Caterpillar Wheel Loader Models of :
Caterpillar 966H and 972H Wheel Loaders
966H: A6D1-UP , A6G1-UP , A6J1-UP
972H: A7D1-UP , A7G1-UP , A7J1-UP
Contents of this pdf Electrical Schematic
Component Identifiers
Module Identifier
Failure Mode Identifiers
Event Codes Engine Control
Related Electrical Service Manuals
Wire Description
Component Location
Connector Location
Off Machine Switch Specification
Resistor, Sender and Solenoid Specifications
Harness And Wire Electrical Schematic Symbols
Harness And Wire Symbols
WIRE GROUP COLOR DESCRIPTIONS
CABLE ASSEMBLIES








gsmfdo@gmail.com
Thanks for good price
Very good A Service , fast search results