Package include
Clark Straddle Stacker SSX 12-16-18 Service Repair Manual
Language
English
Format
PDF
Total Number of pages
308
Publication Number
Book Number 8120715 – SM-994 (Nov 2019)
Compatible
All windows and mac systems
Additional Requirement
User needs to Install PDF Reader Software
Shipping Policy
Download link by high speed web server Total Download size 24 mb
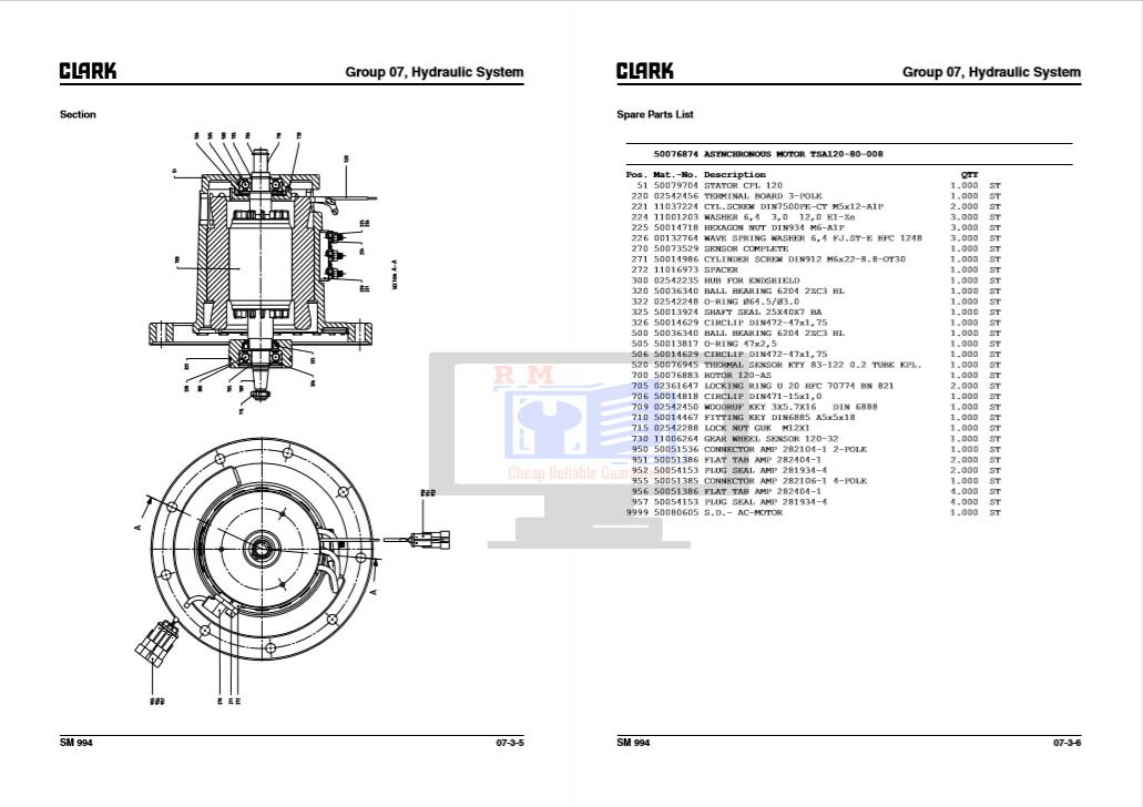
With This Service Manual The Technician can solve any problems encountered in the operation of your Clark Forklift Models of :
Straddle Stacker SSX 12-16-18
[the_ad id=”19310″]
DOWNLOAD SAMPLE OF THIS PDF MANUAL








