Package Include
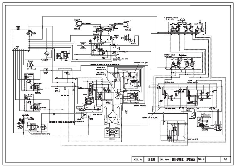
Doosan DL400 Wheel Loader Electrical & Hydraulic Diagrams
Language
English
Format
PDF
Total Number of pages
3
Compatible
All windows and mac systems
Additional Requirement
User needs to Install PDF Reader Software
Shipping Policy
Download link by high speed web server Total Download size 3 mb
Overview
With This Original factory Diagrams The Technician can solve any problems encountered in the operation of Electrical & Hydraulic circuit system of your Doosan Wheel Loader Models of :
DL400 Wheel Loader [ Serial Number 5001 and Up ]
Enhance your maintenance and repair capabilities with the Doosan DL400 Wheel Loader Electrical & Hydraulic Diagrams. This comprehensive guide provides detailed schematics that simplify troubleshooting and ensure efficient operation of your equipment. With clear illustrations and precise information, you can easily identify components and systems, reducing downtime and improving productivity. Invest in this essential resource to keep your Doosan DL400 running smoothly and effectively



