Product Code DSN 0004 [ After payment, this Code helps to receive correct download password to your Account Dashboard ]
Package Include
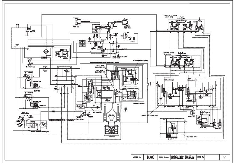
Doosan DL400 Wheel Loader Workshop Manual And Diagrams
Language
English
Format
PDF
Total Number of pages
1-1085
Publication Number
K1010635E
Compatible
All windows and mac systems
Additional Requirement
User needs to Install PDF Reader Software
Shipping Policy, Instant download, No waiting
Download link by high speed web server Total Download size 124 mb












gsmfdo@gmail.com
Thanks for good price
Very good A Service , fast search results