Package Include
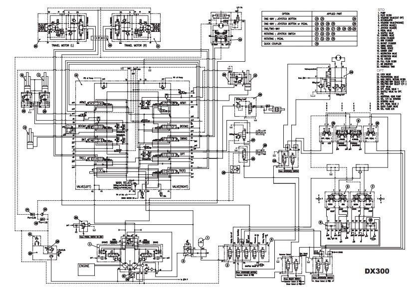
Doosan DX300LC Electrical & Hydraulic Diagrams
Language
English
Format
PDF
Total Number of pages
2
Compatible
All windows and mac systems
Additional Requirement
User needs to Install PDF Reader Software
Shipping Policy
Download link by high speed web server Total Download size 5 mb
Overview
With This Original factory Diagrams The Technician can solve any problems encountered in the operation of Electrical & Hydraulic System of your Doosan Excavator Models of :
DX300LC Excavator [ S.N 5001 and Up ]
[This is true Electronic pdf copy with contains high quality images, not scanned version]
The Doosan DX300LC Electrical & Hydraulic Diagrams provide essential insights for maintenance and troubleshooting, ensuring optimal performance of your machinery. These detailed diagrams are designed to enhance your understanding of the electrical and hydraulic systems, facilitating efficient repairs and reducing downtime. With clear illustrations and comprehensive labeling, this resource is invaluable for technicians and operators alike, promoting safety and efficiency in your operations. Invest in the Doosan DX300LC diagrams to streamline your workflow and maintain the longevity of your equipment



