Package Include
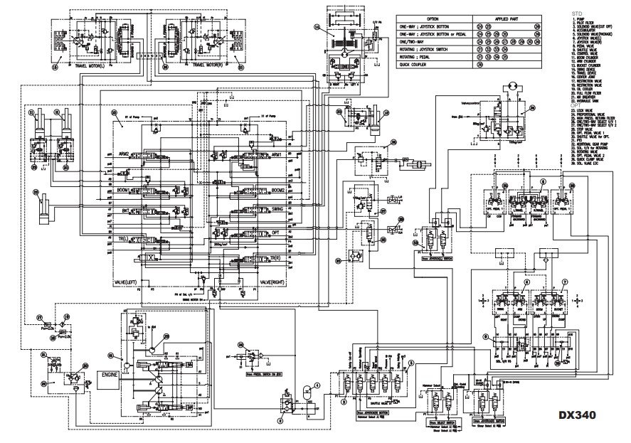
Doosan DX340LC Electrical & Hydraulic Digrams
Language
English
Format
PDF
Total Number of pages
3
Compatible
All windows and mac systems
Additional Requirement
User needs to Install PDF Reader Software
Shipping Policy
Download link by high speed web server Total Download size 5 mb
Overview
With This Original factory Diagrams The Technician can solve any problems encountered in the operation of Electrical & Hydraulic circuit system of your Doosan Excavator Models of :
Doosan DX340LC Excavator
The Doosan DX340LC Electrical & Hydraulic Diagrams provide essential insights for maintenance and troubleshooting, ensuring optimal performance of your machinery. These comprehensive diagrams are meticulously designed to facilitate quick reference and understanding of the electrical and hydraulic systems, enhancing efficiency and reducing downtime. Ideal for technicians and operators alike, this resource is a must-have for anyone looking to maintain the reliability and longevity of their Doosan equipment



