Package Include
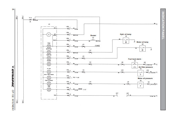
Dynapac CP132 Complete Electric Circuit Diagrams
Language
English
Format
PDF
Total Number of pages
21
Publication Number
W1074EN1, March 2001
Compatible
All windows and mac systems
Additional Requirement
User needs to Install PDF Reader Software
Shipping Policy
Download link by high speed web server Total Download size 2 mb
Compatible Models : Dynapac CP132 Road Roller
The Dynapac CP132 Complete Electric Circuit Diagrams provide an essential resource for technicians and engineers, ensuring accurate troubleshooting and maintenance of your equipment. These comprehensive diagrams detail every electrical component and connection, facilitating efficient repairs and minimizing downtime. With clear illustrations and precise labeling, this guide enhances your understanding of the CP132’s electrical systems, making it an invaluable tool for optimizing performance and reliability. Invest in the Dynapac CP132 Complete Electric Circuit Diagrams to streamline your maintenance processes and keep your machinery running smoothly




