Package Include
Genie S-80, S-85 Articulating Boom Lift Service Repair Manual
Language
English
Format
PDF
Total Number of pages
286
Publication Number
Part No. 72062 Rev A2 (October 2008)
Compatible
All windows and mac systems
Additional Requirement
User needs to Install PDF Reader Software
Shipping Policy
Download link by high speed web server Total Download size 11 mb
Overview
With This Original Factory Service Repair Manual The Technician can Find and Solve any problems encountered in the operation of your Genie Articulating Boom Lift Models of :
Genie S-80, S-85 Articulating Boom Lift [from serial number 966 to 3081]
The Factory was highly recommended use this manual for Technicians before you touch your Genie Machine
This manual contains original instructions, verified by the manufacturer (or their authorized representative)
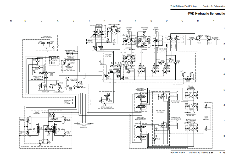
This Original factory pdf manual and pdf service Manual very clear and it is 100% printable version, contains with high quality images and circuit diagrams
This manual provides detailed scheduled
maintenance information for the machine owner
and user. It also provides troubleshooting and
repair procedures for qualified service professionals.
Basic mechanical, hydraulic and electrical skills
are required to perform most procedures.
However, several procedures require specialized
skills, tools, lifting equipment and a suitable
workshop. In these instances, we strongly
recommend that maintenance and repair be
performed at a Genie dealer service center.
The Genie S-80 and S-85 Articulating Boom Lift Service Repair Manual is an essential resource for maintaining and servicing your equipment efficiently. This comprehensive guide provides detailed instructions, diagrams, and troubleshooting tips to ensure optimal performance and longevity of your boom lift. With clear, step-by-step procedures, you can confidently tackle repairs and maintenance tasks, minimizing downtime and maximizing productivity. Invest in this manual to enhance your operational capabilities and keep your Genie lifts in peak condition





