Package Include
Hitachi EX120-5 130-5 Excavator Parts Manual + Equipment Components
Language
English, Japanese
Format
PDF
Total Number of pages
1127
Publication Number
PIE-1-4
Compatible
All windows and mac systems
Additional Requirement
User needs to Install PDF Reader Software
Shipping Policy
Download link by high speed web server Total Download size 72 mb
Compatible Machine Models
Hitachi EX120-5 Excavator
Hitachi EX120SS-5 Excavator
Hitachi EX120-5HG Excavator
Hitachi EX120-5LV Excavator
Hitachi EX120-5X Excavator
Hitachi EX120-5E Excavator
Hitachi EX120-5Z Excavator
Hitachi EX130H-5 Excavator
Hitachi EX130K-5 Excavator
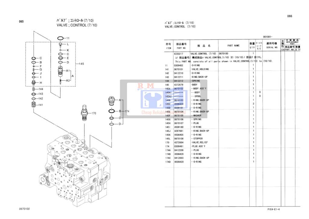
The Hitachi EX120-5 and 130-5 Excavator Parts Manual is the official OEM reference guide for identifying and ordering genuine replacement parts for these powerful and reliable hydraulic excavators. Essential for parts departments, service technicians, and machine owners, this manual provides detailed exploded views, part numbers, and component breakdowns for every major system.
Key Benefits:
-
Quick and accurate parts identification
-
Supports maintenance planning and repair efficiency
-
Reduces ordering errors with clear OEM part numbers
-
Saves time with detailed diagrams and organized sections
-
Ideal for repair shops, fleet maintenance, and parts procurement
Whether you’re performing scheduled maintenance or major repairs, the Hitachi EX120-5 and 130-5 Excavator Parts Manual is your go-to resource for finding the right parts to keep your machine operating at full capacity





