Package Include
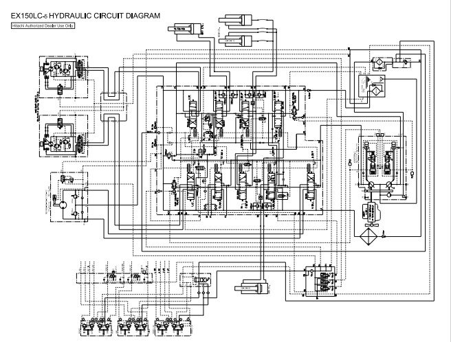
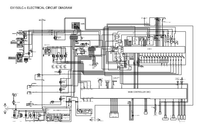
Hitachi EX 150LC-5 , EX 160LC-5 Electrical & Hydraulic Diagrams
Language
English
Format
PDF
Total Number of pages
7
Compatible
All windows and mac systems
Additional Requirement
User needs to Install PDF Reader Software
Shipping Policy
Download link by high speed web server Total Download size 14 mb
Enhance your maintenance and repair capabilities with the Hitachi EX 150LC-5 and EX 160LC-5 Electrical & Hydraulic Diagrams. These comprehensive diagrams provide detailed insights into the electrical and hydraulic systems of your excavators, ensuring you have the necessary information at your fingertips for efficient troubleshooting and repairs. Designed for professionals, this resource is essential for maximizing the performance and longevity of your machinery, making it a valuable addition to your technical library. Invest in precision and reliability today




