Package include
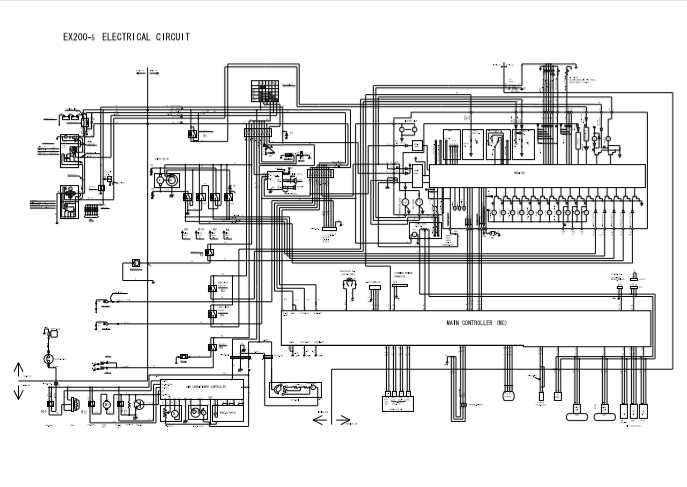
Hitachi EX200-5 Excavator Electrical Circuit Diagram
Language
English
File Format
PDF
Total Number of pages
2
Compatible
Windows system / Mac system / Android / IOS
Additional Requirement
User needs to Install PDF Reader Software
Shipping Policy
Download link by high speed web server Total Download size 4 mb
Compatible Machine Model :  Hitachi EX200-5 Excavator
This Diagrams is very clear and it is 100% printable version , contains with high quality images , This is True Electronic pdf copy, not scanned version
About us and our vision
OUR VISION : 100 % CUSTOMER SATISFACTION, AFTER SALE SERVICE AND KEEP IN TOUCH WITH OUR REGULAR CLIENTS
Until download and place it on your computer We care with you ,We really try our best to complete your orders, so your review is very important to us to improve our services
www.repair-manuals.com | What we offer to our customers
Here with we provide Original factory Service Manuals , Repair Manuals , Workshop Manuals , Parts Manuals, Technical Manuals , Operator’s Manuals, Owner Manuals, Electrical Diagrams , Hydraulic Diagrams and many more manuals for heavy mechanic industry
Thank you for choosing www.repair-manuals.com, We appreciate your business!







gsmfdo@gmail.com
Thanks for good price
Very good A Service , fast search results