Product Code HTE 0223Â [ After payment, this Code Helps to receive correct download password to your Account Dashboard ]
Package Include
Hitachi EX80U Full Set of Manuals
Hitachi EX80U Technical Manuals
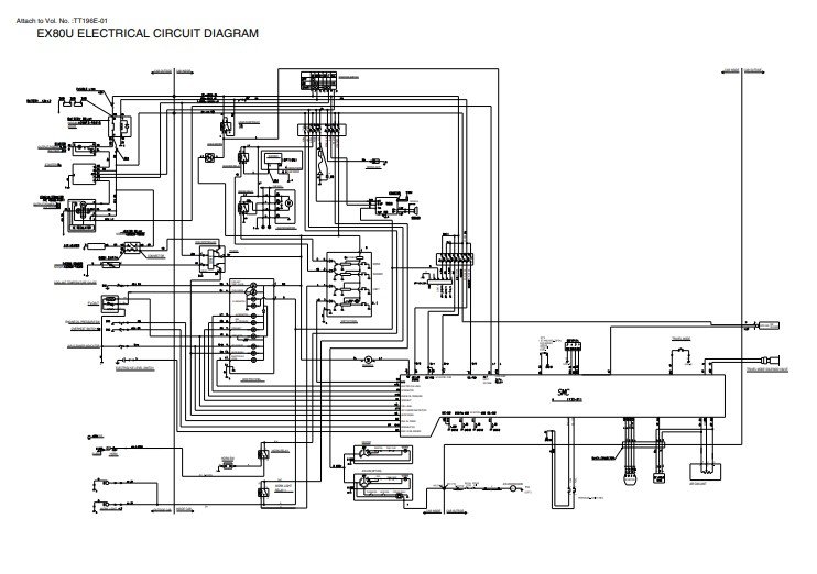
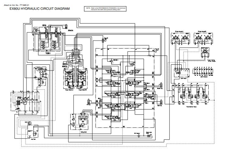
Hitachi EX80U Electrical & Hydraulic Diagrams
Hitachi EX80U Workshop Manual
Language
English
Format
PDF
Total Number of pages
1-750
Publication Number
TO196E-01
TT196E-01
TT196E-01
W196E-01
Compatible
All windows and mac systems
Additional Requirement
User needs to Install PDF Reader Software
Shipping Policy
Download link by high speed web server Total Download size 18 mb
















gsmfdo@gmail.com
Thanks for good price
Very good A Service , fast search results