Package Include
Hitachi LX150-2 Wheel Loader Parts Manual
Language
English
Format
PDF
Total Number of pages
1-602
Publication Number
PEP42D-1-2
Compatible
All windows and mac systems
Additional Requirement
User needs to Install PDF Reader Software
Shipping Policy
Download link by high speed web server Total Download size 31 mb
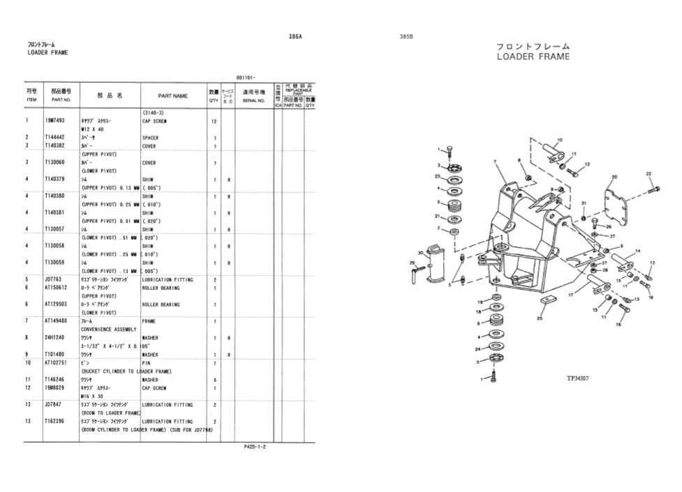
With This Original Factory Parts Manuals The Technician can easily find any Part Number and Correct Part encountered in the operation of your Hitachi Wheel Loader Engine Models of :
Hitachi LX150-2 [S/N 001001~]
The Hitachi LX150-2 Wheel Loader Parts Manual is an essential resource for maintaining and repairing your equipment efficiently. This comprehensive guide provides detailed diagrams, part numbers, and specifications, ensuring you can easily identify and source the right components for your loader. With clear instructions and expert insights, this manual empowers you to enhance the performance and longevity of your machine, making it a must-have for operators and technicians alike. Invest in this manual to streamline your maintenance process and minimize downtime



