Package Include
Hitachi Sumitomo SCX400, SCX550, SCX700 Crawler Crane Technical Manual
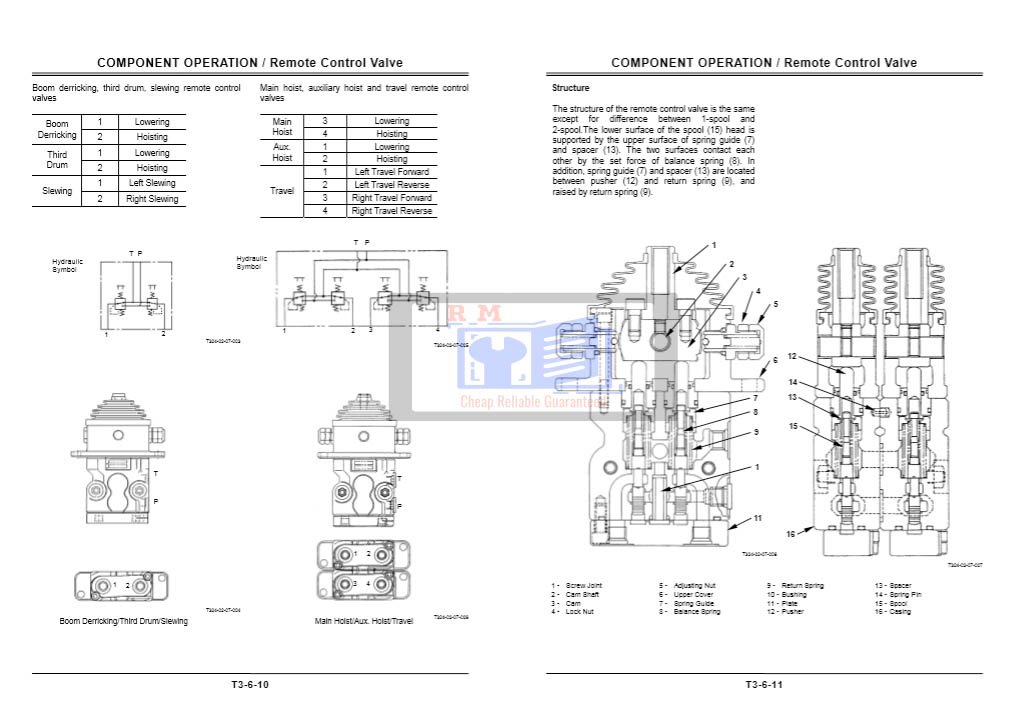
Operational Principle
Language
English
Format
PDF
Total Number of pages
310
Publication Number
TO23K-EN-00
Compatible
All windows and mac systems
Additional Requirement
User needs to Install PDF Reader Software
Shipping Policy
Download link by high speed web server Total Download size 13 mb
✅ Compatible Models:
-
Hitachi Sumitomo SCX400 Crawler Crane
-
Hitachi Sumitomo SCX550 Crawler Crane
-
Hitachi Sumitomo SCX700 Crawler Crane
This official Technical Manual – Operational Principle provides in-depth technical insights into the core systems and functional design of the Hitachi Sumitomo SCX400, SCX550, and SCX700 Crawler Cranes. Developed by the manufacturer, this manual is essential for engineers, technicians, and maintenance professionals who require a deep understanding of system logic, hydraulic flow, and component operation.
It details how each major system works—supporting diagnostics, troubleshooting, and advanced repair processes in accordance with factory standards.






