Package Include
Hitachi ZW 100 Wheel Loader Workshop Manual and Diagrams
Language
English
Format
PDF
Total Number of pages
390
Publication Number
W4FJ-E-00 [2011.02]
TT4FJ-E-00
T4L1-E-00
TTNCC-EN-00
Compatible
All windows and mac systems
Additional Requirement
User needs to Install PDF Reader Software
Shipping Policy
Download link by high speed web server Total Download size 22 mb
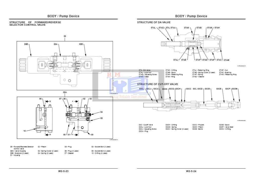
This comprehensive Workshop Manual for the Hitachi ZW100 Wheel Loader includes detailed repair procedures, system diagnostics, and complete hydraulic and electrical diagrams. It’s the ideal resource for professional mechanics, service technicians, and fleet maintenance teams looking to service and repair the ZW100 to OEM standards.
📘 Manual Covers:
-
Model: Hitachi ZW100 Wheel Loader
-
Includes all systems: engine, transmission, hydraulics, steering, brakes, electrical, and more
✅ Features:
-
Clear, high-resolution searchable PDF
-
Fully printable for use in the workshop or field
-
Instant digital download – no shipping delay
-
Compatible with PC, Mac, tablets, and smartphones
-
Includes official diagrams for electrical and hydraulic systems
📌 Why This Manual?
Whether you’re doing routine maintenance or full system repairs, this manual gives you dealer-level knowledge to keep your Hitachi ZW100 performing reliably and efficiently.






