Package Include
Hitachi ZW 100-120 G Wheel Loader Technical Manual and Diagrams
Language
English
Format
PDF
Total Number of pages
300
Publication Number
TO4FK-E-00 [2011.01]
Compatible
All windows and mac systems
Additional Requirement
User needs to Install PDF Reader Software
Shipping Policy
Download link by high speed web server Total Download size 30 mb
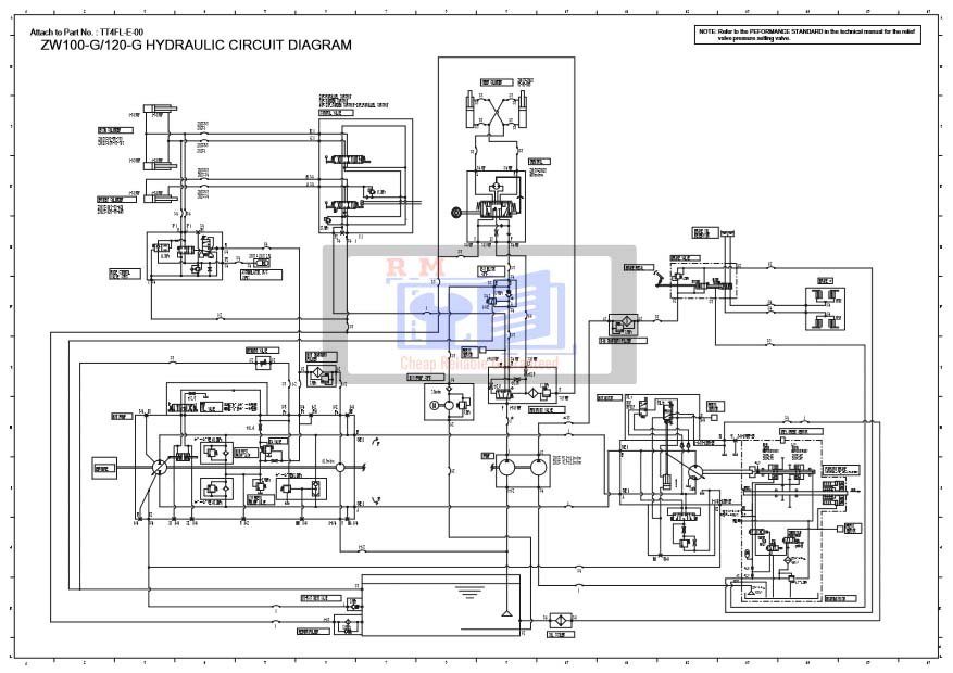
This official Technical Manual for the Hitachi ZW100 and Hitachi ZW120G Wheel Loaders delivers a complete understanding of machine systems, controls, and diagnostics. It includes detailed explanations of operational principles along with full electrical and hydraulic diagrams, making it an essential tool for advanced troubleshooting and system analysis.
📘 Models Covered:
-
Hitachi ZW100 Wheel Loader
-
Hitachi ZW120G Wheel Loader
✅ Features:
-
OEM-quality, searchable and printable PDF
-
Instant digital download – no shipping required
-
Works on PC, Mac, tablets, and smartphones
-
Used by authorized Hitachi technicians worldwide
📌 Why This Manual?
This manual is crucial for understanding how the ZW100 and ZW120G Wheel Loaders function from the inside out. With both theoretical insights and detailed diagrams, it supports accurate diagnostics, system analysis, and long-term maintenance planning—making it ideal for technicians, engineers, and fleet maintenance teams.






