Package Include
Hitachi ZW 140-5B Wheel Loader Workshop Manual and Diagrams
Language
English
Format
PDF
Total Number of pages
1414
Publication Number
WNDF-EN-00 [2014.10]
WNDF-EN-00 [2015.03]
TTNDF90-EN-00
Compatible
All windows and mac systems
Additional Requirement
User needs to Install PDF Reader Software
Shipping Policy
Download link by high speed web server Total Download size 89 mb
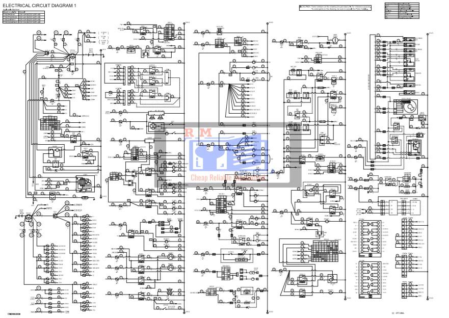
This official Workshop Manual for the Hitachi ZW140-5B Wheel Loader is the complete factory guide for performing maintenance, diagnostics, repairs, and overhauls. Designed for professional technicians and heavy equipment service personnel, it includes detailed procedures, specifications, and full hydraulic and electrical system diagrams to ensure precision servicing to OEM standards.
📘 Model Covered:
-
Hitachi ZW140-5B Wheel Loader
✅ Features:
-
High-resolution, searchable and printable PDF
-
Instant digital download – no waiting or shipping
-
Compatible with PC, Mac, tablets, and smartphones
-
Official Hitachi documentation – the same used by dealer technicians
📌 Why This Manual?
This manual provides everything you need to professionally maintain and repair your Hitachi ZW140-5B, including the diagrams and specifications required for system testing and troubleshooting. It’s a must-have resource for reducing machine downtime and ensuring high-performance operation.







