Package Include
Hitachi ZX170W-5B Technical Manuals
Language
English
Format
PDF
Total Number of pages
1240
Publication Number
TOLBA-EN-00 [2013.04]
TTLBA-EN-00 [2013.06]
Compatible
All windows and mac systems
Additional Requirement
User needs to Install PDF Reader Software
Shipping Policy
Download link by high speed web server Total Download size 28 mb
✅ Model Coverage: Hitachi ZX170W-5B Wheel Excavator
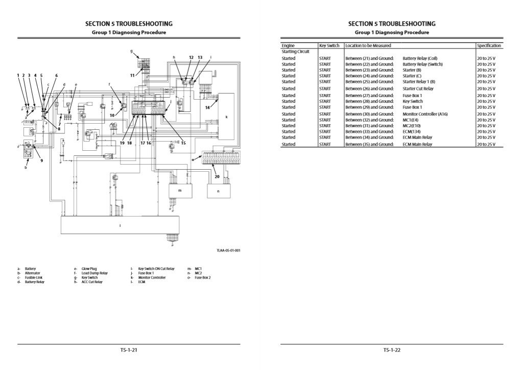
The Hitachi ZX170W-5B Technical Manuals are official factory-issued documents designed to provide advanced system-level information for diagnostics, fault analysis, and operational understanding of the machine’s electronic, hydraulic, and control systems. These manuals are essential tools for experienced technicians, engineers, and heavy equipment service personnel.
OEM Standard: Genuine Hitachi technical manuals produced for professional diagnostic and service use
These manuals enable efficient troubleshooting, accurate fault detection, and optimal system calibration, helping to ensure maximum uptime and performance for your ZX170W-5B excavator. Best used alongside the Workshop and Parts Manuals for complete maintenance coverage.










