Package Include
Hitachi ZX280-5G, ZX280LC-5G Workshop Manual and Diagrams
Language
English
Format
PDF
Total Number of pages
513
Publication Number
WDDF-EN-00 [2012.03]
TTDDF-EN-00
Compatible
All windows and mac systems
Additional Requirement
User needs to Install PDF Reader Software
Shipping Policy
Download link by high speed web server Total Download size 16 mb
Compatible Models:
-
Hitachi ZX280‑5G
-
Hitachi ZX280LC‑5G
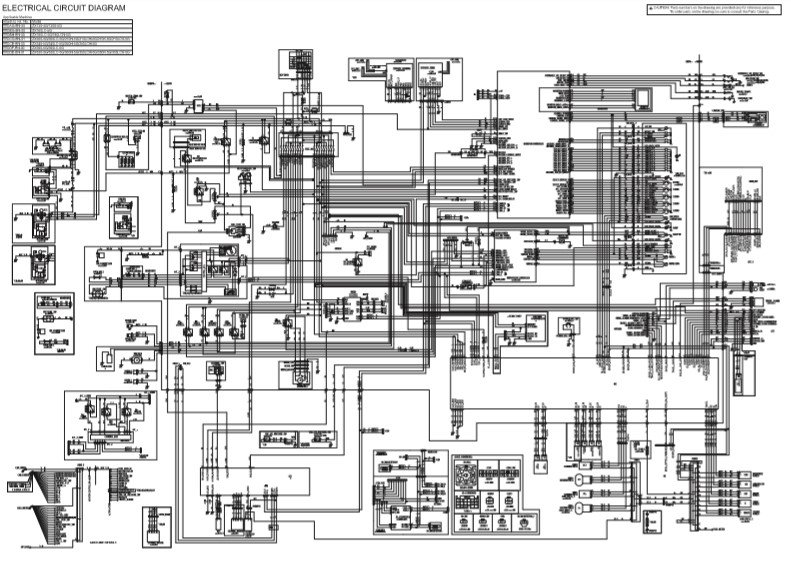
Comprehensive digital workshop manual and schematic diagrams tailored for Hitachi ZX280-5G and ZX280LC-5G excavators. This manual set includes detailed instructions for maintenance, repair, troubleshooting, and component overhaul, along with full hydraulic and electrical circuit diagrams.







