Product Code HTE 0020 [After payment, this Code helps to receive correct download password to your Account Dashboard]
Package Include
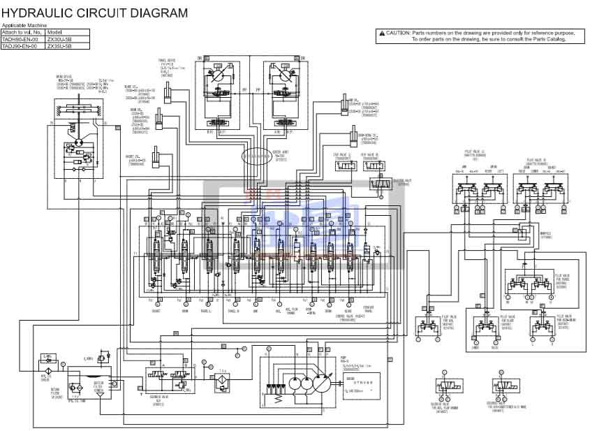
Hitachi ZX35U-5B Excavator Workshop Manual and Diagrams
Language
English
Format
PDF
Total Number of pages
1-364
Publication Number
WADJ90-EN-00 [2015.03]
TADH90-EN-00
Compatible
All windows and mac systems
Additional Requirement
User needs to Install PDF Reader Software
Shipping Policy
Download link by high speed web server Total Download size 23 mb










gsmfdo@gmail.com
Thanks for good price
Very good A Service , fast search results