Product Code HYD 0116 [ After payment, this Code helps to receive correct download password to your Account Dashboard ]
Package Include
Hyundai HSL810 SkidSteer Loader Service Repair Manual
Language
English
Format
PDF
Total Number of pages
1-132
Compatible
All windows and mac systems
Additional Requirement
User needs to Install PDF Reader Software
Shipping Policy
Download link by high speed web server Total Download size 10 mb
With This Original Factory Service Repair Manual The Technician can Find and Solve any problems encountered in the operation of your Hyundai SkidSteer Loader Models of :
Compatible With : Hyundai HSL810 SkidSteer Loader
This service manual has been prepared as an aid to improve the quality of repairs by giving the
serviceman an accurate understanding of the product and by showing him the correct way to
perform repairs and make judgements. Make sure you understand the contents of this manual and use it to full effect at every opportunity.
This service manual mainly contains the necessary technical information for operations performed in a service workshop.
For ease of understanding, the manual is divided into the following sections.
Structure and function
This group explains the structure and function of each component. It serves not only to give an
understanding of the structure, but also serves as reference material for troubleshooting.
Operational checks and troubleshooting
This group explains the system operational checks and troubleshooting charts correlating problem to remedy.
Tests and adjustments
This group explains checks to be amide before and after performing repairs, as well as adjustments
to be made at completion of the checks and repairs.
Disassembly and assembly
This group explains the order to be followed when removing, installing, disassembling or assembling
each component, as well as precautions to be taken for these operations.
Contents of this pdf manual
SECTION 1 GENERAL
Group 1 Safety Hints
Group 2 Specifications
Group 3 Operational Checkout Record Sheet
SECTION 2 ENGINE
Group 1 Structure and Function
Group 2 Fuel warmer system
Group 3 Engine speed and Stall rpm
Group 4 Fan drive circuit for cooling system
SECTION 3 POWER TRAIN SYSTEM
Group 1 Structure and Function
Group 2 Operational Checks and Troubleshooting
Group 3 Test and Adjustments
Group 4 Disassembly and Assembly
SECTION 4 BRAKE SYSTEM
Group 1 Structure and Function
Group 2 Operational Checks and Troubleshooting
Group 3 Tests and Adjustments
Group 4 Disassembly and Assembly
SECTION 5 STEERING SYSTEM
Group 1 Structure and Function
Group 2 Operational Checks and Troubleshooting
Group 3 Tests and Adjustments
Group 4 Disassembly and Assembly
SECTION 6 WORK EQUIPMENT
Group 1 Structure and Function
Group 2 Operational Checks and Troubleshooting
Group 3 Tests and Adjustments
Group 4 Disassembly and Assembly
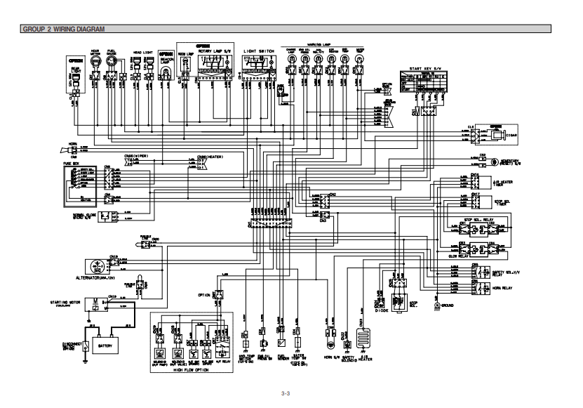
SECTION 7 ELECTRICAL SYSTEM
Group 1 Component Location
Group 2 Electrical Circuit
Group 3 Monitoring System
Group 4 Electrical Component Specification
Group 5 Connectors
Group 6 Troubleshooting









gsmfdo@gmail.com
Thanks for good price
Very good A Service , fast search results