Package Include
Hyundai R18-9AK Mini Excavator Service Repair Manual
Language
English
Format
PDF
Total Number of pages
356
Compatible
All windows and mac systems
Additional Requirement
User needs to Install PDF Reader Software
Shipping Policy
Download link by high speed web server Total Download size 17 mb
With This Original Factory Service Repair Manual The Technician can Find and Solve any problems encountered in the operation of your Hyundai Excavator Models of :
Hyundai R18-9AK Mini Excavator [Hyundai Robex Excavator]
The Hyundai R18-9AK Mini Excavator Service Repair Manual is an essential resource for maintaining and repairing your equipment efficiently. This comprehensive guide provides detailed instructions, diagrams, and troubleshooting tips to ensure optimal performance and longevity of your mini excavator. With clear, step-by-step procedures, you can confidently tackle repairs and maintenance tasks, saving time and reducing downtime on the job. Invest in this manual to enhance your operational knowledge and keep your Hyundai R18-9AK running smoothly
The manual is divided into the following chapters:
This service manual has been prepared as an aid to improve the quality of repairs by giving the
serviceman an accurate understanding of the product and by showing him the correct way to
perform repairs and make judgements. Make sure you understand the contents of this manual and
use it to full effect at every opportunity.
This service manual mainly contains the necessary technical information for operations performed in a service workshop.
For ease of understanding, the manual is divided into the following sections.
SECTION 1 GENERAL
This section explains the safety hints and gives the specification of the machine and major
components.
SECTION 2 STRUCTURE AND FUNCTION
This section explains the structure and function of each component. It serves not only to give an
understanding of the structure, but also serves as reference material for troubleshooting.
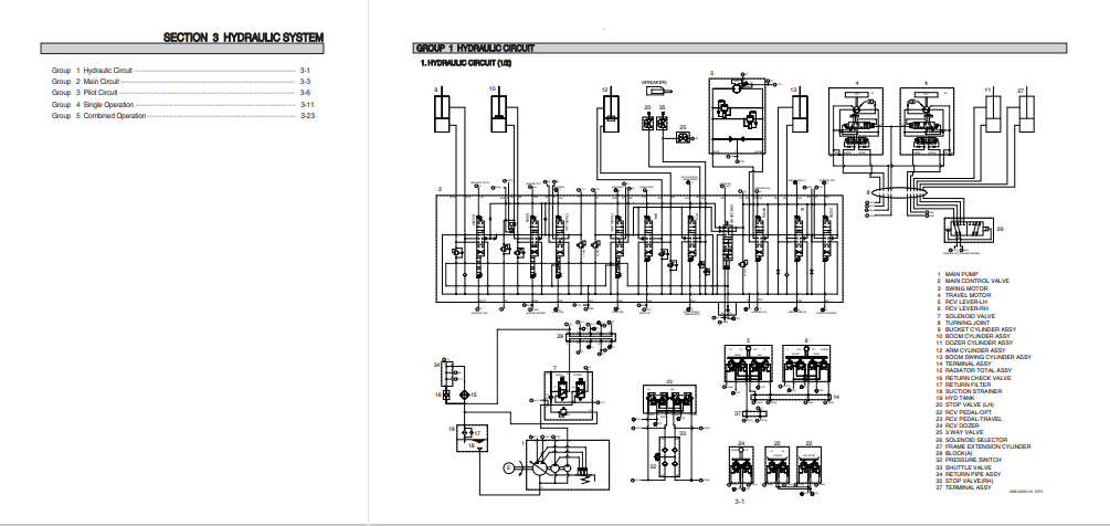
SECTION 3 HYDRAULIC SYSTEM
This section explains the hydraulic circuit, single and combined operation.
SECTION 4 ELECTRICAL SYSTEM
This section explains the electrical circuit, monitoring system and each component. It serves not
only to give an understanding electrical system, but also serves as reference material for trouble
shooting.
SECTION 5 TROUBLESHOOTING
This section explains the troubleshooting charts correlating problems to causes.
SECTION 6 MAINTENANCE STANDARD
This section gives the judgement standards when inspecting disassembled parts.
SECTION 7 DISASSEMBLY AND ASSEMBLY
This section explains the order to be followed when removing, installing, disassembling or
assembling each component, as well as precautions to be taken for these operations







