Package Include
JCB 8040, 8045, 8050, 8055 Excavator Service Repair Manual
Language
English
Format
PDF
Total Number of pages
457
Publication Number
9813-1850
Compatible
All windows and mac systems
Additional Requirement
User needs to Install PDF Reader Software
Shipping Policy
Download link by high speed web server Total Download size 40 mb
Overview
With This Original Factory Service Repair Manual The Technician can Find and Solve any problems encountered in the operation of your JCB Excavator Models
JCB 8040ZTS [from serial number 1056000]
JCB 8045ZTS [from serial number 1057000]
JCB 8050ZTS [from serial number 1741500]
JCB 8050RTS [from serial number 1741500]
JCB 8055ZTS [from serial number 2060250]
JCB 8055RTS [from serial number 2060250]
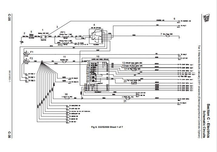
This Service Repair Manual very clear and it is 100% printable version , contains with high quality images, Diagrams and instructions
The Factory was highly recommended use this manual for Technicians, before operate or repair your JCB Excavator
The JCB 8040, 8045, 8050, and 8055 Excavator Service Repair Manual is an essential resource for maintaining and repairing your machinery with confidence. This comprehensive guide provides detailed instructions, diagrams, and troubleshooting tips to ensure optimal performance and longevity of your excavator. With clear, step-by-step procedures, you can easily tackle repairs and maintenance tasks, saving time and reducing downtime. Invest in this manual to enhance your operational efficiency and keep your equipment running smoothly






