Product Code JD 0047Â Â After payment, this Code Helps to receive correct download password to your Account Dashboard ]
Package Include
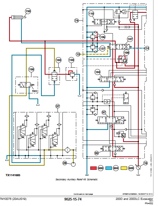
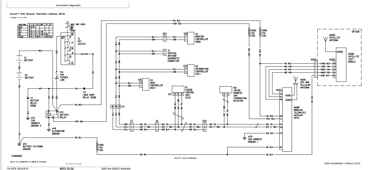
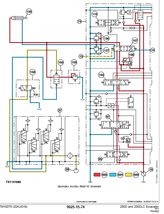
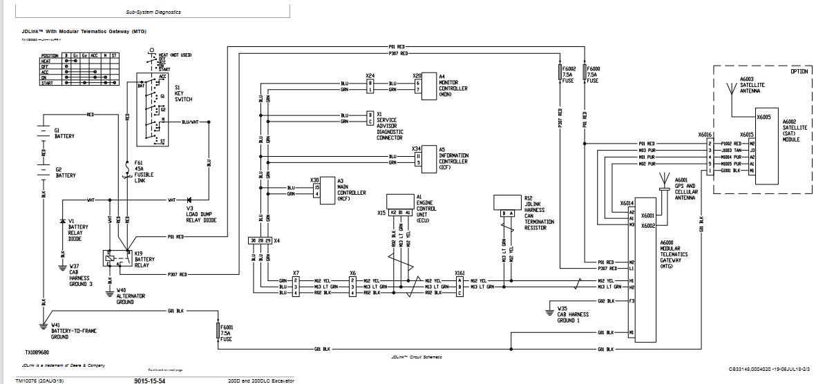
John Deere 200D and 200DLC Excavator Operation and Test Manual
Language
English
Format
PDF
Total Number of pages
1-988
Publication Number
TM10076 20AUG19
Compatible
All windows and mac systems
Additional Requirement
User needs to Install PDF Reader Software
Shipping Policy
Download link by high speed web server Total Download size 32 mb
Overview
With This Original Factory Technical Manual The Technician can solve any problems encountered in the operation of your John Deere Excavator Models of :
200D and 200DLC Excavators
The Factory was highly recommended use this manual, Technicians before you touch John Deere Excavator
This Operation and Test pdf Manual very clear and it is 100% printable version , True Electronic pdf copy, not scanned version
[the_ad id=”22123″]
DOWNLOAD SAMPLE OF THIS PDF MANUAL











gsmfdo@gmail.com
Thanks for good price
Very good A Service , fast search results