Package Include
John Deere 35C ZTS Excavator Parts Manuals
Language
English
Format
PDF
Total Number of pages
484
Publication Number
PC9221 (Apr-19)
Compatible
All windows and mac systems
Additional Requirement
User needs to Install PDF Reader Software
Shipping Policy
Download link by high speed web server Total Download size 10 mb
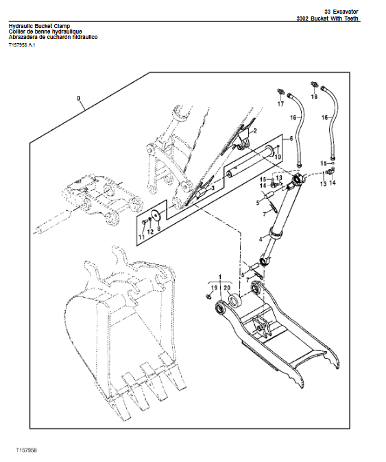
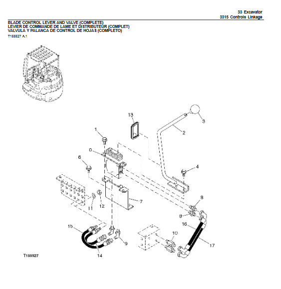
Overview
With This Original Factory Parts Manuals The Technician can easily find any Part Number and Correct Part encountered in the operation of your John Deere Excavator Models of :
35C ZTS Excavator
This pdf parts Manual very clear and it is 100% printable version , True Electronic pdf copy, not scanned version
DOWNLOAD SAMPLE OF THIS PDF MANUAL
Enhance your maintenance and repair capabilities with the John Deere 35C ZTS Excavator Parts Manuals. These comprehensive manuals provide detailed diagrams, part numbers, and specifications, ensuring you have all the information needed to keep your excavator running smoothly. With easy-to-follow instructions, you can confidently tackle repairs and replacements, minimizing downtime and maximizing productivity. Invest in these essential resources to ensure your equipment remains in peak condition for years to come







