Product Code JD 0088 After payment, this Code Helps to receive correct download password to your Account Dashboard ]
Package Include
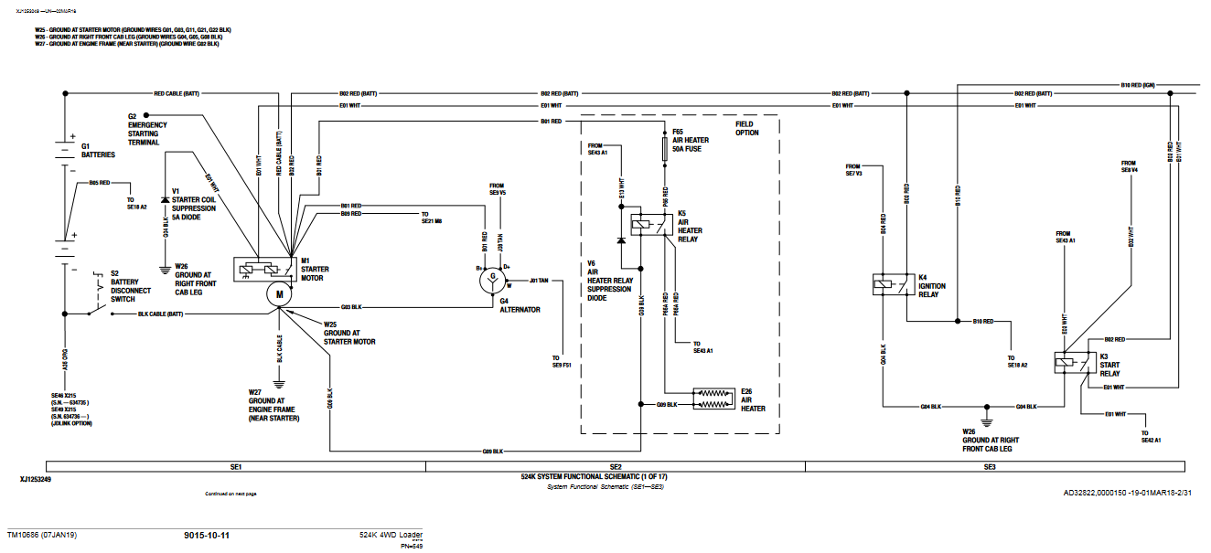
John Deere 524K 4WD Loader Engine 6068HDW74 (T3) Operation and Test Technical Manual
Language
English
Format
PDF
Total Number of pages
1-1244
Publication Number
M10686 07JAN19
Compatible
All windows and mac systems
Additional Requirement
User needs to Install PDF Reader Software
Shipping Policy
Download link by high speed web server Total Download size 39 mb
Overview
With This Original Factory Technical Manual The Technician can solve any problems encountered in the operation of your John Deere Skid Steer Loader Engine Models of :
524K 4WD Loader Engine 6068HDW74 (T3)
(S.N. —642245)
The Factory was highly recommended use this manual, Technicians before you touch John Deere Loader Engine
This Operation and Test Technical Manual very clear and it is 100% printable version , True Electronic pdf copy, not scanned version










gsmfdo@gmail.com
Thanks for good price
Very good A Service , fast search results