Package Include
Kobelco 140SRLC-3 Excavator Service Repair Manual
Language
English
Format
PDF
Total Number of pages
1014
Publication Number
S5YY0024E02
Compatible
All windows and mac systems
Additional Requirement
User needs to Install PDF Reader Software
Shipping Policy
Download link by high speed web server Total Download size 63 mb
With This Original Factory Service Repair Manual The Technician can Find and Solve any problems encountered in the operation of your Kobelco Excavator Models of :
140SRLC-3 Excavator
The Factory was highly recommended use this manual, Technicians before you touch Kobelco Machines
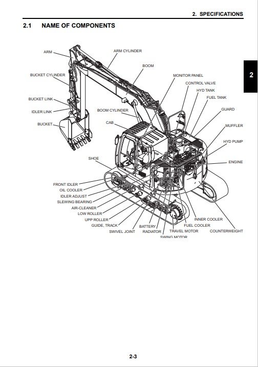
This PDF Service Manual very clear and it is 100% printable version , Contains high quality images also include diagrams , This is True Electronic pdf copy, not scanned version
If you are looking for a specific manual and if you can not find it on our store, contact our customer support team, with details of the required manual, we will do our absolute best to acquire it for you.
DOWNLOAD SAMPLES OF THIS PDF WORKSHOP MANUALS
The Kobelco 140SRLC-3 Excavator Service Repair Manual is an essential resource for maintaining and repairing your excavator with precision and confidence. This comprehensive guide provides detailed instructions, diagrams, and troubleshooting tips, ensuring that you can efficiently address any issues that arise. With its user-friendly format, this manual empowers operators and technicians alike to enhance the performance and longevity of their equipment, making it a must-have for anyone serious about excavator maintenance







