Kobelco SK350-9 Workshop Repair Manual

Guaranteed Safe Checkout

$10.00

26 people bought this product
Before purchasing the entire pdf handbook, Please GET SAMPLE PREVIEW of this pdf manual and ensure it is suitable with your model

Package Include
Kobelco SK350-9 Tier 4 Workshop Repair Manual

Language
English

Format
PDF

Total Number of pages
1387

Publication Number
S5LC0026E03 (Issued July 2011)

Compatible
All windows and mac systems

Additional Requirement
User needs to Install PDF Reader Software

Shipping Policy
Download link by high speed web server Total Download size 80 mb

With This Original Factory Repair Manual The Technician can Find and Solve any problems encountered in the operation of your Kobelco Excavator Models of :

APPLICABLE:
SK350-9 Tier 4 Excavator

Kobelco SK350-9 [S.N YC12U2400 and higher ~]

The Factory was highly recommended use this manual, Technicians before you touch Kobelco Machines
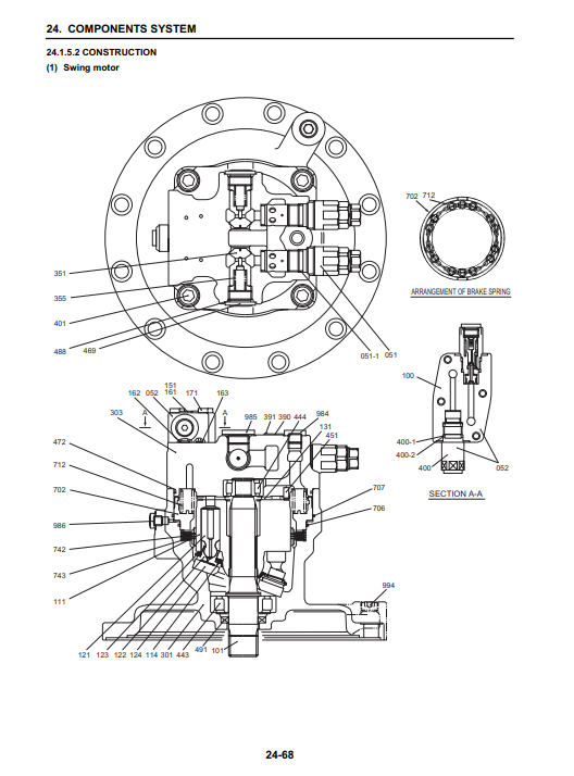
This PDF Service Manual very clear and it is 100% printable version , Contains high quality images also include diagrams

The Kobelco SK350-9 Workshop Repair Manual is an essential resource for professionals and enthusiasts alike, providing comprehensive guidance for the maintenance and repair of your excavator. This manual features detailed diagrams, step-by-step instructions, and troubleshooting tips, ensuring you have the knowledge needed to keep your equipment running smoothly. With its user-friendly format, you can easily navigate through complex procedures, saving time and reducing downtime on the job. Invest in this manual to enhance your repair skills and ensure the longevity of your Kobelco SK350-9

If you are looking for a specific manual and if you can not find it on our store, contact our customer support team, with details of the required manual, we will do our absolute best to acquire it for you.

𝙊𝙫𝙚𝙧 25 𝙮𝙚𝙖𝙧𝙨 𝙤𝙛 𝙨𝙚𝙧𝙫𝙞𝙘𝙚 𝙬𝙞𝙩𝙝 𝙖 100% 𝙨𝙖𝙩𝙞𝙨𝙛𝙖𝙘𝙩𝙞𝙤𝙣 𝙜𝙪𝙖𝙧𝙖𝙣𝙩𝙚𝙚

Concerning ourselves and our vision  100% customer satisfaction, after-sale support, and maintaining contact with our regular clients are our goals.

Until you download it and save it in a secure location Since we sincerely care about you and try our best to accommodate your demands, your feedback is essential to our efforts to improve our services.

What we provide to our clients  Original factory service manuals, repair manuals, workshop manuals, parts manuals, technical manuals, operator’s manuals, owner manuals, electrical diagrams, hydraulic diagrams, and many other instructions for the heavy mechanic industry are available here.

𝙾𝚟𝚎𝚛 𝟑𝟻,𝟶𝟶𝟶 𝚌𝚞𝚜𝚝𝚘𝚖𝚎𝚛𝚜 𝚑𝚊𝚟𝚎 𝚏𝚊𝚒𝚝𝚑 𝚒𝚗 𝚘𝚞𝚛 𝚜𝚎𝚛𝚟𝚒𝚌𝚎. 𝚆𝚎 𝚟𝚊𝚕𝚞𝚎 𝚢𝚘𝚞𝚛 𝚋𝚞𝚜𝚒𝚗𝚎𝚜𝚜 𝚊𝚗𝚍 𝚊𝚛𝚎 𝚐𝚛𝚊𝚝𝚎𝚏𝚞𝚕 𝚝𝚑𝚊𝚝 𝚢𝚘𝚞 𝚑𝚊𝚟𝚎 𝚌𝚑𝚘𝚜𝚎𝚗  𝚠𝚠𝚠.𝚛𝚎𝚙𝚊𝚒𝚛-𝚖𝚊𝚗𝚞𝚊𝚕𝚜.𝚌𝚘𝚖

Kobelco SK350-9 workshop repair manual, showcasing the title and relevant technical graphics for maintenance guidanceKobelco SK350-9 Workshop Repair Manual
$10.00 26 people bought this product
Scroll to Top