Package Include
Komatsu D31PX-22 Bulldozer Workshop Repair Manual
Language
English
File Format
PDF
Total Number of pages
1055
Publication Number
SEN04343-09
Compatible
Windows system / Mac system / Android / IOS / Chrome OS / Any device capable of opening a PDF file
Additional Requirement
You must have any software that can open the pdf format
Shipping Policy
All of our products are digital and hence supplied immediately upon purchase.Once your purchase is complete, you will have immediate access to the product via a download link. Total download size: 49 MB
With this original factory workshop manual, the technician can detect and solve any troubles encountered when operating your Komatsu bulldozer and the compatible models :
Compatible Machine Model  Komatsu D31PX-22 Bulldozer
Compatible Serial Number Range S.N 60001 and up
This Service Training manual is very easy to understand, fully printable, and includes original instructions that have been approved by the manufacturer or an authorized representative. It also includes high-quality photographs and diagrams.
It was strongly advised by the factory that operators and machine owners to use this handbook before operating or repairing their KOMATSU Machines.
Since this service manual is an actual electronic PDF file rather than a scanned copy, using the find feature to look for specific sections or keywords is simple. Your time is saved by this procedure.
Contents of this Workshop Manual
General
Specification and technical data
Structure, function and maintenance standard
Engine and cooling system
Power train
Undercarriage and frame
Hydraulic system, Part 1
Hydraulic system, Part 2
Work equipment
Cab and its attachments
Electrical system
Standard value table
Standard service value table
Testing and adjusting
Testing and adjusting, Part 1
Testing and adjusting, Part 2
Testing and adjusting, Part 3
Troubleshooting
Failure code table and fuse locations
General information on troubleshooting
Troubleshooting by failure code (Display of code), Part 1
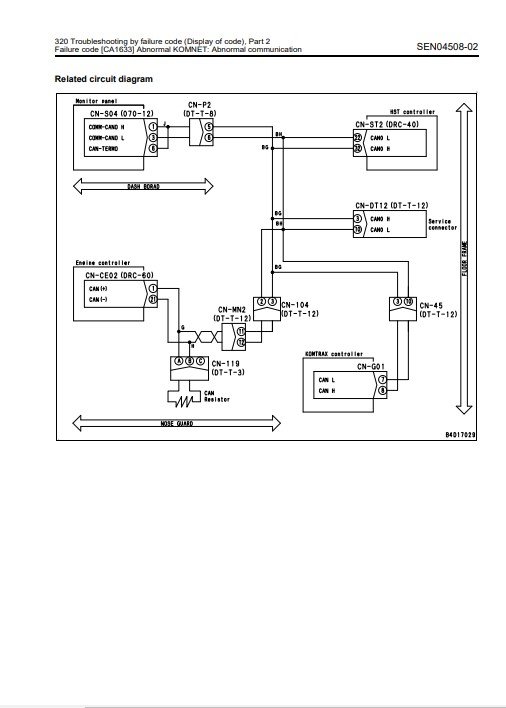
Troubleshooting by failure code (Display of code), Part 2
Troubleshooting by failure code (Display of code), Part 3
Troubleshooting by failure code (Display of code), Part 4
Troubleshooting by failure code (Display of code), Part 5
Troubleshooting of electrical system (E-mode)
Troubleshooting of hydraulic and mechanical system (H-mode)
Troubleshooting of engine (S-mode)
Disassembly and assembly
General information on disassembly and assembly
Engine and cooling system
Power train
Undercarriage and frame
Hydraulic system
Work equipment
Cab and its attachments
Electrical system
Diagrams and drawings
Hydraulic diagrams and drawings
Electrical diagrams and drawings
Concerning ourselves and our vision
100% customer satisfaction, after-sale support, and maintaining contact with our regular clients are our goals.
Until you download it and save it in a secure location Since we sincerely care about you and try our best to accommodate your demands, your feedback is essential to our efforts to improve our services.
What we provide to our clients
Original factory service manuals, repair manuals, workshop manuals, parts manuals, technical manuals, operator’s manuals, owner manuals, electrical diagrams, hydraulic diagrams, and many other instructions for the heavy mechanic industry are available here.
We value your business and are grateful that you have chosen www.repair-manuals.com!





gsmfdo@gmail.com
Thanks for good price
Very good A Service , fast search results