Package Include
Komatsu D39EX-21, D39PX-21 S.N 1001 and up Workshop Manual
Language
English
Format
PDF
Total Number of pages
464
Publication Number
SEBM023810
Compatible
All windows and mac systems
Additional Requirement
User needs to Install PDF Reader Software
Shipping Policy
Download link by high speed web server Total Download size 40 mb
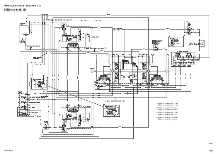
With This Original Factory Workshop Manual The Technician can Find and Solve any problems encountered in the operation of your Komatsu Bulldozer Models of :
D39EX-21, D39PX-21 Bulldozer [ S.N 1001 and up ]
[This is true Electronic pdf copy with contains high quality images and diagrams, not scanned version]
Contents of this Workshop Manual
General
Structure and Function
Testing And Adjusting
Disassembly and Assembly
Maintenance Standard








