Package Include
Komatsu D61EX-15, D61PX-15 Bulldozer S.N B40001 and up Workshop Manual
Language
English
Format
PDF
Total Number of pages
988
Publication Number
WE051Z0002
Compatible
All windows and mac systems
Additional Requirement
User needs to Install PDF Reader Software
Shipping Policy
Download link by high speed web server Total Download size 78 mb
With This Original Factory Workshop Manual The Technician can Find and Solve any problems encountered in the operation of your Komatsu Bulldozer Models of :
D61EX-15, D61PX-15 Bulldozer [S.N B40001 and up]
[This is true Electronic pdf copy with contains high quality images and diagrams, not scanned version]
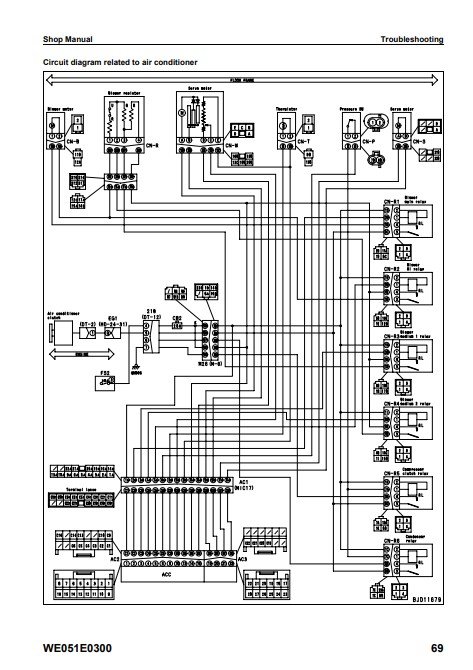
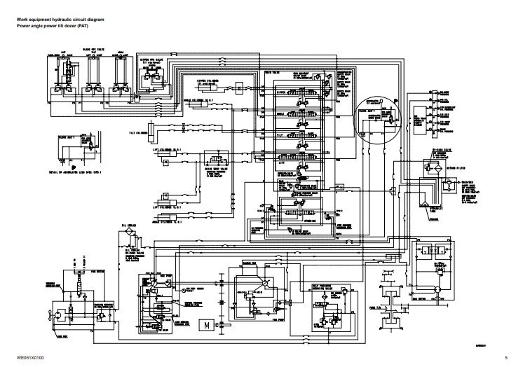
Contents of this Workshop Manual
General
Structure and Function
Testing and Adjusting
Disassembly and Assembly
Maintenance Standard
Others
The Komatsu D61EX-15 and D61PX-15 Bulldozer Workshop Manual is an essential resource for operators and technicians, providing comprehensive guidance on maintenance, troubleshooting, and repair procedures. This manual is meticulously designed to enhance the performance and longevity of your bulldozer, ensuring that you can tackle any job with confidence. With detailed diagrams, step-by-step instructions, and expert tips, this workshop manual empowers you to keep your equipment running smoothly and efficiently, making it a must-have for any Komatsu D61 series owner










