Package Include
Komatsu D61EXi-24, D61PXi-24 Japan Bulldozer S.N 40001 and UP Workshop Manual
Language
English
Format
PDF
Total Number of pages
2895
Publication Number
SEN06578-00
Compatible
All windows and mac systems
Additional Requirement
User needs to Install PDF Reader Software
Shipping Policy
Download link by high speed web server Total Download size 67 mb
With This Original Factory Workshop Manual The Technician can Find and Solve any problems encountered in the operation of your Komatsu Bulldozer Models of :
D61EXi-24, D61PXi-24 Japan Bulldozer [S.N 40001 and UP]
[This is true Electronic pdf copy with contains high quality images and diagrams, not scanned version]
Enhance your maintenance capabilities with the Komatsu D61EXi-24 and D61PXi-24 Workshop Manual. This comprehensive guide provides detailed instructions and diagrams, ensuring you have all the necessary information to keep your bulldozer operating at peak performance. With step-by-step procedures and troubleshooting tips, this manual is an essential resource for both professionals and DIY enthusiasts, allowing for efficient repairs and maintenance that can save time and reduce costs. Invest in your machinery’s longevity and reliability with this indispensable workshop manual
Contents of this Workshop Manual
General
Specification and technical data
Structure, function and maintenance standard
Engine and cooling system
Power train
Undercarriage and frame
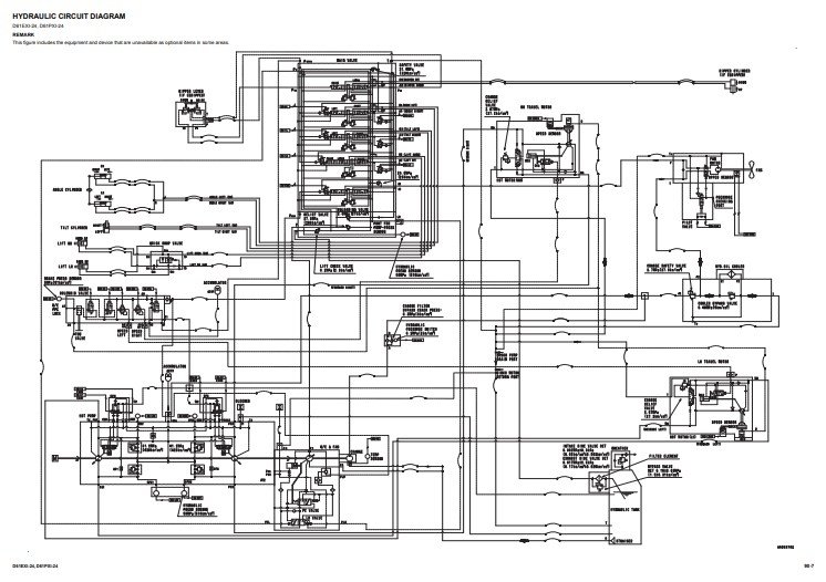
Hydraulic system, Part 1
Hydraulic system, Part 2
Work equipment.
Cab and its attachments
Electrical system
Standard value table
Standard service value table
Testing and adjusting
Testing and adjusting, Part 1
Testing and adjusting, Part 2
Testing and adjusting, Part 3
Troubleshooting
Failure code table and fuse locations
General information on troubleshooting
Troubleshooting by failure code (Display of code), Part 1
Troubleshooting by failure code (Display of code), Part 2
Troubleshooting by failure code (Display of code), Part 3
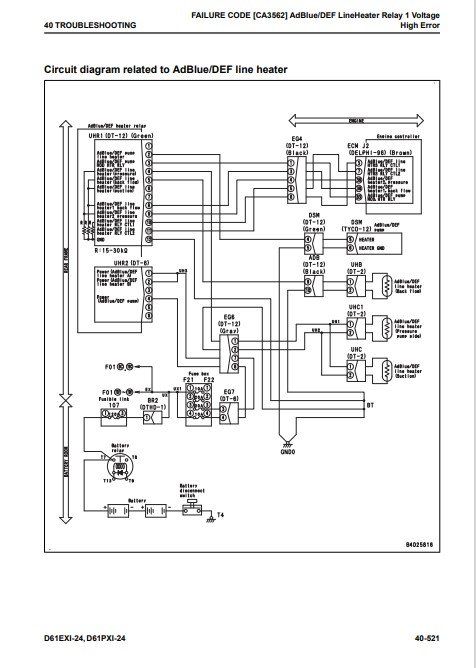
Troubleshooting by failure code (Display of code), Part 4
Troubleshooting by failure code (Display of code), Part 5
Troubleshooting of electrical system (E-mode)
Troubleshooting of hydraulic and mechanical system (H-mode)
Troubleshooting of engine (S-mode)..
Disassembly and assembly
General information on disassembly and assembly
Engine and cooling system
Power train
Undercarriage and frame
Hydraulic system.
Work equipment
Cab and its attachments
Electrical system
Diagrams and drawings
Hydraulic diagrams and drawings
Electrical diagrams and drawings










