Package Include
Komatsu D65A-8, D65E-8, D65P-8 Bulldozer S.N 45001 UP Workshop Manual
Language
English
Format
PDF
Total Number of pages
567
Publication Number
SEBM01440809
Compatible
All windows and mac systems
Additional Requirement
User needs to Install PDF Reader Software
Shipping Policy
Download link by high speed web server Total Download size 93 mb
With This Original Factory Workshop Manual The Technician can Find and Solve any problems encountered in the operation of your Komatsu Bulldozer Models of :
D65A-8, D65E-8, D65P-8 Bulldozer [S.N 45001 and UP]
Contents of this Workshop Manual
Engine
Power Train
Undercarriage
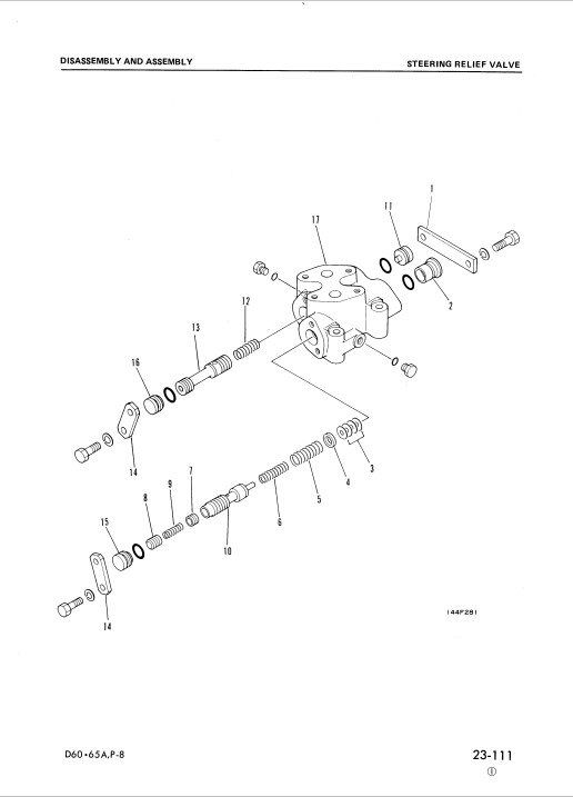
Hydraulic System
Work Equipment
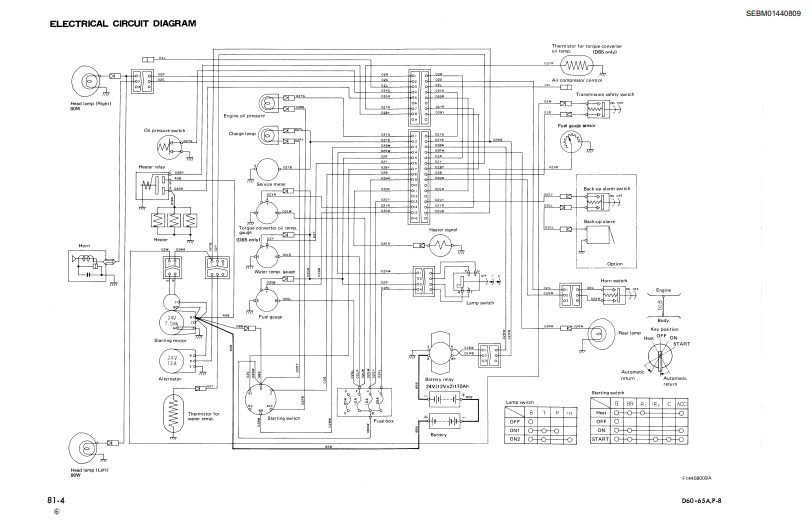
Electric and Electronic System
Enhance your maintenance capabilities with the Komatsu D65A-8, D65E-8, and D65P-8 Bulldozer Workshop Manual. This comprehensive guide provides detailed instructions, diagrams, and troubleshooting tips specifically designed for these powerful bulldozer models. With easy-to-follow steps, you can ensure optimal performance and longevity of your equipment, saving time and reducing repair costs. Invest in this essential manual to keep your bulldozer running smoothly and efficiently









