Package Include
Komatsu D65EX-16, D65PX-16, D65WX-16 Bulldozer S.N 80001-UP Workshop Manual
Language
English
Format
PDF
Total Number of pages
1580
Publication Number
SEN04887-14
Compatible
All windows and mac systems
Additional Requirement
User needs to Install PDF Reader Software
Shipping Policy
Download link by high speed web server Total Download size 99 mb
With This Original Factory Workshop Manual The Technician can Find and Solve any problems encountered in the operation of your Komatsu Bulldozer Models of :
D65EX-16, D65PX-16, D65WX-16 Bulldozer [S.N 80001-UP]
[This is true Electronic pdf copy with contains high quality images and diagrams, not scanned version]
Discover the ultimate resource for maintaining your Komatsu D65EX-16, D65PX-16, and D65WX-16 bulldozers with our comprehensive Workshop Manual. This expertly crafted manual provides detailed instructions, diagrams, and troubleshooting tips to ensure optimal performance and longevity of your machinery. Whether you’re a seasoned technician or a DIY enthusiast, this manual equips you with the knowledge to tackle repairs and maintenance with confidence, ultimately saving you time and money. Invest in your equipment’s reliability and efficiency today with this essential guide
Contents of this Workshop Manual
General
Specification and technical data
Structure, function and maintenance standard
Engine and cooling system
Power train
Undercarriage and frame
Hydraulic system, Part 1
Hydraulic system, Part 2
Work equipment.
Cab and its attachments
Electrical system
Standard value table
Standard service value table
Testing and adjusting
Testing and adjusting, Part 1
Testing and adjusting, Part 2
Testing and adjusting, Part 3
Troubleshooting
Failure code table and fuse locations
General information on troubleshooting
Troubleshooting by failure code (Display of code), Part 1
Troubleshooting by failure code (Display of code), Part 2
Troubleshooting by failure code (Display of code), Part 3
Troubleshooting by failure code (Display of code), Part 4
Troubleshooting by failure code (Display of code), Part 5
Troubleshooting of electrical system (E-mode)
Troubleshooting of hydraulic and mechanical system (H-mode)
Troubleshooting of engine (S-mode)..
Disassembly and assembly
General information on disassembly and assembly
Engine and cooling system
Power train
Undercarriage and frame
Hydraulic system.
Work equipment
Cab and its attachments
Electrical system
Diagrams and drawings
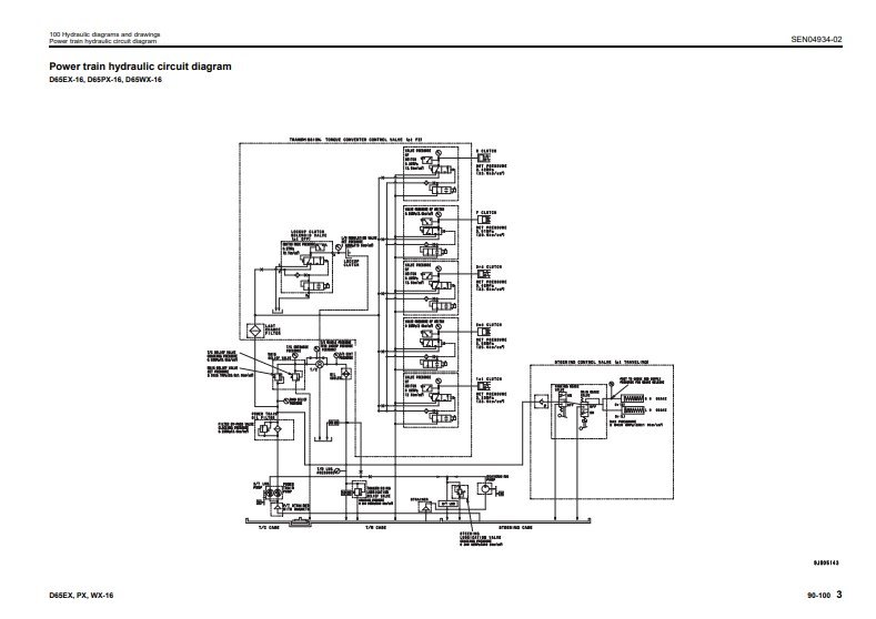
Hydraulic diagrams and drawings
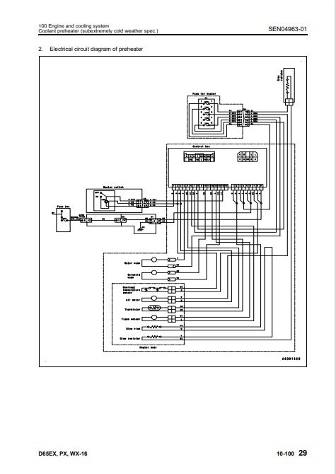
Electrical diagrams and drawings








