Package Include
Komatsu HM400-2 Japan Dump Truck S.N 2001-UP Workshop Manual
Language
English
Format
PDF
Total Number of pages
1514
Publication Number
SEN00239-20
Compatible
All windows and mac systems
Additional Requirement
User needs to Install PDF Reader Software
Shipping Policy
Download link by high speed web server Total Download size 96 mb
With This Original factory Workshop Manual The Technician can solve any problems encountered in the operation of your Komatsu Models of :
HM400-2 Japan Dump Truck [ S.N 2001-UP ]
[This is true Electronic pdf copy with contains high quality images and diagrams, not scanned version]
The Komatsu HM400-2 Japan Dump Truck Workshop Manual is an essential resource for maintenance and repair professionals, providing comprehensive guidance on the operation and servicing of this robust vehicle. This manual includes detailed diagrams, troubleshooting tips, and step-by-step instructions, ensuring that you can efficiently address any issues that arise. With its user-friendly format and thorough coverage, this workshop manual is designed to enhance your understanding and streamline your repair processes, making it a must-have for anyone working with the HM400-2 model
Composition of this workshop manual
Specification
Specification and technical data
Structure, function and maintenance standard
Engine and cooling system
Power train, Part 1
Power train, Part 2
Steering system
Brake system
Undercarriage and frame
Hydraulic system
Cab and its attachments
Electrical system, Part 1
Electrical system, Part 2
Electrical system, Part 3
Electrical system, Part 4
Standard value table
Standard service value table
Testing and adjusting
Testing and adjusting, Part 1
Testing and adjusting, Part 2
Testing and adjusting, Part 3
Troubleshooting
General information on troubleshooting
Troubleshooting by failure code, General
Troubleshooting by failure code, Part 1
Troubleshooting by failure code, Part 2
Troubleshooting by failure code, Part 3
Troubleshooting by failure code, Part 4
Troubleshooting by failure code, Part 5
Troubleshooting by failure code, Part 6
Troubleshooting by failure code, Part 7
Troubleshooting by failure code, Part 8
Troubleshooting for electrical system (E-mode)
Troubleshooting of hydraulic and mechanical system (H-mode)
Troubleshooting of engine (S-mode)
Disassembly and assembly
General information on disassembly and assembly
Engine and cooling system
Power train, Part 1
Power train, Part 2
Power train, Part 3
Undercarriage and frame
Hydraulic system
Cab and its attachments
Electrical system
Diagrams and drawings
Hydraulic diagrams and drawings
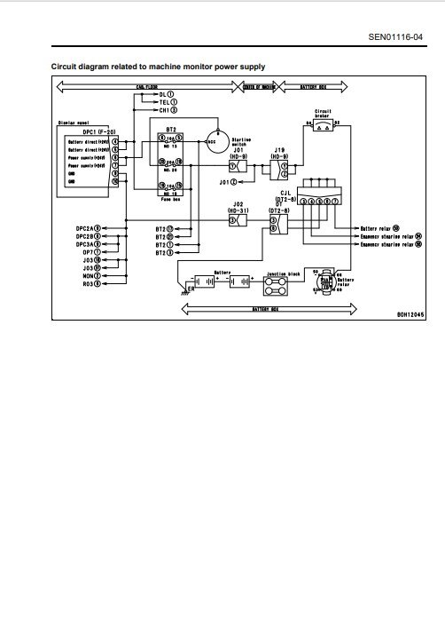
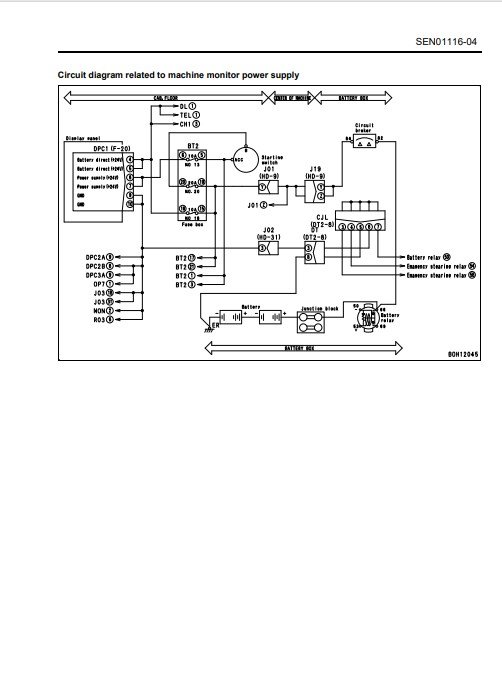
Electrical diagrams and drawings








