Package Include
Komatsu PC160-6K, PC180LC, 180NLC-6K Workshop Repair Manual
Language
English
Format
PDF
Total Number of pages
692
Publication Number
UEBD000601
Compatible
All windows and mac systems
Additional Requirement
User needs to Install PDF Reader Software
Shipping Policy
Download link by high speed web server Total Download size 13 mb
With This Original Factory Workshop Manual The Technician can Find and Solve any problems encountered in the operation of your Komatsu Excavator Models of :
✅ Models Covered
-
Komatsu PC160-6K — Hydraulic Excavator
-
Komatsu PC180LC — Hydraulic Excavator (Long Carriage)
-
Komatsu PC180NLC-6K — Hydraulic Excavator (Narrow Long Carriage)
Compatible Serial Number Range
[S.N K32001 and UP] [S.N K34001 and UP]
[This is true Electronic pdf copy with contains high quality images and diagrams, not scanned version]
Contents of this Workshop Manual
General
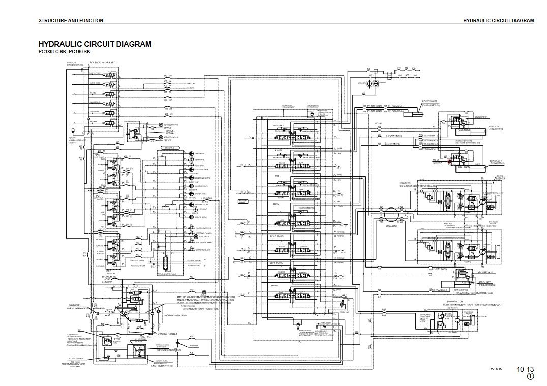
Structure and Function
Testing, Adjusting and Troubleshooting
Disassembly and Assembly
Maintenance Standard
Enhance your maintenance capabilities with the Komatsu PC160-6K, PC180LC, and 180NLC-6K Workshop Repair Manual. This comprehensive guide is designed to provide you with detailed instructions, diagrams, and troubleshooting tips, ensuring that you can efficiently service and repair your machinery. With clear illustrations and step-by-step procedures, this manual empowers you to keep your equipment running smoothly, minimizing downtime and maximizing productivity. Invest in this essential resource to ensure the longevity and optimal performance of your Komatsu excavators






