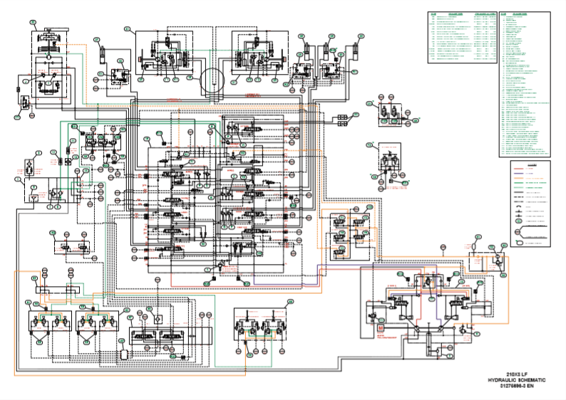
Link Belt 210X3 LF Excavator Complete Hydraulic Diagram
Package Include
Link Belt 210X3 LF Excavator Complete Hydraulic Diagram
Language
English
File Format
PDF
Total Number of pages
1
Compatible
Windows system / Mac system / Android / IOS
Additional Requirement
User needs to Install PDF Reader Software
Shipping Policy
Download link by high speed web server Total Download size 2 mb
Compatible Machine Model
Link Belt 160X3 Excavator
This is 100% printable electronic copy of  pdf format , this is not page scan version
About us and our vision
OUR VISION : 100 % CUSTOMER SATISFACTION, AFTER SALE SERVICE AND KEEP IN TOUCH WITH OUR REGULAR CLIENTS
Until download and place it on your computer We care with you ,We really try our best to complete your orders, so your review is very important to us to improve our services
Thank you for choosing www.repair-manuals.com, We appreciate your business!






gsmfdo@gmail.com
Thanks for good price
Very good A Service , fast search results