| ✅Included Items | Electrical Diagrams for New Holland U80C Skip Loader |
| ✅File Format | PDF File Format – Instant Downloadable |
| ✅Language | English |
| ✅Total Number of pages | 8 |
| ✅Compatible | Windows system / Mac system / Android / IOS / Chrome OS / Any device capable of opening a PDF file |
| ✅Additional Requirement | User must have any software that can open the pdf format |
| ✅Shipping Policy | All of our products are digital and hence supplied immediately upon purchase. Once your purchase is complete, you will have immediate access to the product via a download link |
| ✅Download Size | Total download size 3 MB |
| ✅Compatible Machine Models | New Holland U80C Skip Loader |
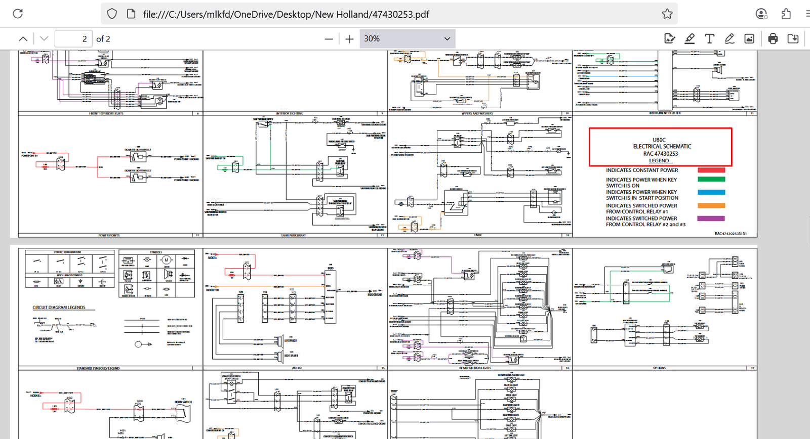
Take the guesswork out of electrical repairs with this official wiring diagram for the New Holland U80C Loader. This easy-to-read schematic is your go-to resource for troubleshooting, repairing, or modifying the electrical system on your U80C model.
Product Features:
-
🔌 Complete Wiring Diagram – Includes circuits for starting, charging, lighting, gauges, switches, ECM, sensors, and more
-
📊 Factory-Correct Schematics – Clear, color-coded or black-and-white diagrams as used by dealership technicians
-
🔧 Simplifies Troubleshooting – Pinpoint electrical faults, shorts, or component failures quickly and accurately
-
💾 Instant PDF Download – No shipping delay – get access immediately
-
📱 View or Print Anywhere – Compatible with desktop, laptop, tablet, or smartphone
Ideal For:
-
• Technicians and mechanics
-
• Equipment owners and operators
-
• Electrical diagnostics and repair shops
-
• Anyone maintaining or servicing a U80C Loader
Compatible Model: New Holland U80C Loader
File Format: PDF (Digital Download)
Language: English
Pages: Typically 1–5 pages depending on detail level


