Product Code SKI 0002 [ After payment, this Code helps to receive correct download password to your Account Dashboard ]
Package Include
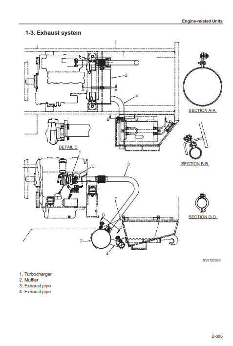
Sakai Roller SV515-E Workshop Repair Manual
Language
English
Format
PDF
Total Number of pages
1-127
Publication Number
SV5122003 (2005)
Compatible
All windows and mac systems
Additional Requirement
User needs to Install PDF Reader Software
Shipping Policy
Download link by high speed web server Total Download size 6 mb
With This Original Factory Service Repair Manual The Technician can Find and Solve any problems encountered in the operation of your Sakai Roller Models of :
Sakai Roller SV515-E
This Service Manual very clear, This is True Electronic pdf copy, not scanned version, contains high quality images and it is 100% printable version
Contents of this pdf manual
SPECIFICATIONS
STRUCTURE & OPERATION
INSPECTION & ADJUSTMENT
TROUBLESHOOTING
With extended use, component parts of a vehicle will inevitably deteriorate, leading to a performance-degraded machine. To make a machine maintain its performance at high level over a long operating hours without any problems, correct handling, quality preventive maintenance and repair are of vital importance. If a trouble occurs, rapid and effective tracking down of the cause is also of prime importance.
This manual provides instructions on SPECIFICATIONS, STRUCTURE/OPERATION, INSPECTION/ADJUSTMENT and TROUBLE-SHOOTING needed to perform above-mentioned works for SV512-E Series Vibrating Rollers. For TROUBLESHOOTING, this book uses flow charts to indicate diagnosis procedures. There are many procedures considered. Shown here represent examples. More reasonable ways to trace the source of faults will be available. Depending upon the conditions of troubles, find the most suitable diagnosis procedures.
The main purpose of this service literature is to serve as a guide for service personnel to acquire correct information on and servicing prodecures for SV512-E Series machines in order to give a correct decisions on problems that the machines will confront, thus leading to quality servicing. Fully understand the instructions in this manual and make the best of it.
We will make our utmost efforts to make this book more substantial through revisions. Your opinions and advices will be particularly welcome and carefully considered.
For daily maintenance and periodical service schedule recommendation, refer to OPERATOR’S INSTRUCTION furnished separately.








gsmfdo@gmail.com
Thanks for good price
Very good A Service , fast search results