Package Include
Wirtgen Vogele Super 1800-2 SJ Technical Training Manual
Language
English
Format
PDF
Total Number of pages
172
Publication Number
SJ_MSU_1182_Documentation_Eng
Compatible
All windows and mac systems
Additional Requirement
User needs to Install PDF Reader Software
Shipping Policy
Download link by high speed web server Total Download size 5 mb
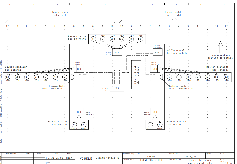
With This Original Factory Technical Manual The Technician can Find and Solve any problems encountered in the operation of your Wirtgen Vogele Excavator Models of :
Wirtgen Vogele Super 1800-2 SJ
This is Original factory pdf manual and This pdf Workshop Manual very clear and it is 100% printable version, contains with high quality images and circuit diagrams
This is True Electronic pdf copy, not scanned version
Enhance your operational efficiency with the Wirtgen Vogele Super 1800-2 SJ Technical Training Manual. This comprehensive guide is designed to provide in-depth knowledge of the Super 1800-2 SJ paver, covering essential features, maintenance procedures, and troubleshooting techniques. With clear illustrations and step-by-step instructions, this manual ensures that operators can maximize performance and minimize downtime, making it an invaluable resource for both new and experienced users. Invest in your team’s expertise and elevate your paving projects to the next level




