Package Include
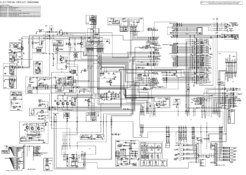
Hitachi ZX240-5G, ZX250-5G Series Workshop Manual and Diagrams
Language
English
Format
PDF
Total Number of pages
515
Publication Number
WDCE-EN-00 [2012.03]
TTDCE-EN-00
Compatible
All windows and mac systems
Additional Requirement
User needs to Install PDF Reader Software
Shipping Policy
Download link by high speed web server Total Download size 10 mb
Models covered
-
Hitachi ZX240‑5G
-
Hitachi ZX250‑5G
✅ Why This Manual Is Valuable
-
Comprehensiveness: Factory‑level coverage gives you step‑by‑step instructions, illustrations, diagrams and component layouts.
-
Troubleshooting orientation: Helps diagnose and resolve faults with structured test flows.
-
Cost‑efficiency: One manual for multiple models/variants reduces need for separate guides.
-
Digital format means easy to carry on laptop/tablet, zoom diagrams, print pages as needed.
-
Supports large scale machines: Covers the ZX240‑5G series (~23–24 tonne class) which are heavy duty and keep downtime low when maintained well






