Package Include
Hitachi ZX225US-5B, ZX225USLC-5B Workshop Manual and Diagrams
Language
English
Format
PDF
Total Number of pages
633
Publication Number
WDCN-EN-00 [2014.01]
TTDCN-EN-00
Compatible
All windows and mac systems
Additional Requirement
User needs to Install PDF Reader Software
Shipping Policy
Download link by high speed web server Total Download size 28 mb
Model Coverage:
-
Hitachi ZX225US-5B
-
Hitachi ZX225USLC-5B
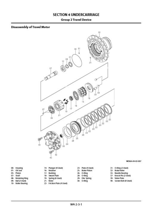
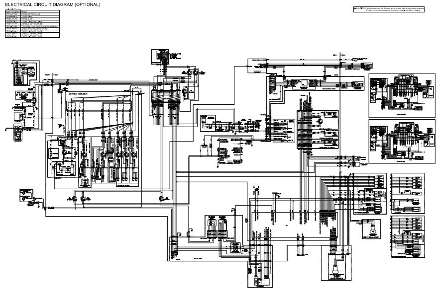
The Hitachi ZX225US-5B and ZX225USLC-5B Workshop Manual with Electrical and Hydraulic Diagrams is the complete factory-issued service guide for repair, maintenance, and system diagnostics of these Zaxis 5B series compact radius excavators. Tailored for professional technicians and service departments, this manual package delivers step-by-step procedures, specifications, and high-resolution schematics for safe and efficient machine servicing.
From engine repairs to hydraulic troubleshooting, this manual ensures accuracy and reliability in every maintenance operation.
Best Suited For:
-
Heavy equipment service technicians
-
Hitachi dealership repair departments
-
Construction fleet maintenance teams
-
Field mechanics and workshop engineers







